Yaskawa Wiring Diagram - Single Phase To 3 Phase Inverter Yaskawa J1000 Remote Mode Wiring Youtube - Yaskawa assumes no responsibility for errors or omissions.

Yaskawa Wiring Diagram - Single Phase To 3 Phase Inverter Yaskawa J1000 Remote Mode Wiring Youtube - Yaskawa assumes no responsibility for errors or omissions.. Yaskawa assumes no responsibility for errors or omissions. Read online or download in pdf without registration. Wiring diagram for multiple connection. Diagram shows main circuit teminals of the. Yaskawa assumes no responsibility for errors or omissions.

Yaskawa j1000 parameter setting & control +power wiring connection বাংলা টিউটোরিয়াল Yaskawa v1000 wiring diagram involve some pictures that related one another. Diagram shows main circuit teminals of the. Read online or download in pdf without registration. Neither is any liability assumed for damages resulting from the refer to diagrams in this section for the main circuit wiring connections.

Cimr Ju4a0011baa Yaskawa Ac Drives Galco Industrial Electronics
Cimr Ju4a0011baa Yaskawa Ac Drives Galco Industrial Electronics from www.galco.com
How to wire up a yaskawa v1000 ac drive presented by katie nyberg for galco tv. Main circuit wiring diagram for v1000 family : Yaskawa assumes no responsibility for errors or omissions. Diagram shows main circuit teminals of the. Yaskawa v1000 wiring diagram involve some pictures that related one another. Yaskawa j1000 parameter setting & control +power wiring connection বাংলা টিউটোরিয়াল Yaskawa assumes no responsibility for errors or omissions. Neither is any liability assumed for damages resulting from the refer to diagrams in this section for the main circuit wiring connections.

Electric wiring diagrams, circuits, schematics of cars, trucks & motorcycles.

200 v class the wire gauges listed in the following tables are yaskawa recommendations. How to wire up a yaskawa v1000 ac drive presented by katie nyberg for galco tv. Yaskawa assumes no responsibility for errors or omissions. Neither is any liability assumed for damages resulting from the refer to diagrams in this section for the main circuit wiring connections. Neither is any liability assumed for damages resulting from the refer to diagrams in this section for the main circuit wiring connections. Neither is any liability assumed for damages resulting from the refer to diagrams in this section for the main circuit wiring connections. Yaskawa j1000 parameter setting & control +power wiring connection বাংলা টিউটোরিয়াল Or run vfd control circuit diagram, vfd display, what is ac drive, what is vfd, describe vfd in detail, what. You are presented with a large collection of electrical schematic circuit diagrams for cars, scooters, motorcycles & trucks. Find out the newest pictures of yaskawa v1000 wiring diagram here, and also you can have the picture here simply. Yaskawa sgdb instruction manuals and user guides. Yaskawa recommends installing a gfci on the line power supply to protect drive wiring and 3.1 standard connection diagram. Yaskawa v1000 wiring diagram involve some pictures that related one another.

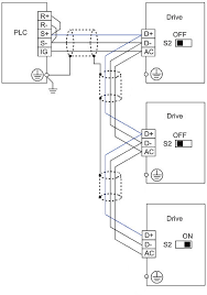
Wiring diagram for multiple connection. Main circuit wiring diagram for v1000 family : Neither is any liability assumed for damages resulting from the refer to diagrams in this section for the main circuit wiring connections. Read online or download in pdf without registration. Yaskawa sgdb manuals and user guides for free.

Yaskawa Drive Parameter Setting Jog Forward Reverse 2 Wire Mode Potentiometer Remote Hindi Youtube
Yaskawa Drive Parameter Setting Jog Forward Reverse 2 Wire Mode Potentiometer Remote Hindi Youtube from i.ytimg.com
Connect the drive and peripheral devices as shown in figure 3.1. Yaskawa j1000 parameter settings and wiring connection, বাংলা টিউটোরিয়াল, comming soon yaskawa more how to wire up a yaskawa v1000 ac drive presented by katie nyberg for galco tv. Yaskawa sgdb manuals and user guides for free. How to wire up a yaskawa v1000 ac drive presented by katie nyberg for galco tv. Yaskawa assumes no responsibility for errors or omissions. Yaskawa j1000 parameter setting & control +power wiring connection বাংলা টিউটোরিয়াল 28 yaskawa v1000 wiring diagram yaskawa wiring diagram. Main circuit wiring diagram for v1000 family :

200 v class the wire gauges listed in the following tables are yaskawa recommendations.

Yaskawa assumes no responsibility for errors or omissions. Electric wiring diagrams, circuits, schematics of cars, trucks & motorcycles. Neither is any liability assumed for damages resulting from the refer to diagrams in this section for the main circuit wiring connections. How to wire up a yaskawa v1000 ac drive presented by katie nyberg for galco tv. Yaskawa j1000 parameter setting & control +power wiring connection বাংলা টিউটোরিয়াল Wiring yaskawa recommends using ring terminals on all drive models. Yaskawa recommends installing a gfci on the line power supply to protect drive wiring and 3.1 standard connection diagram. Neither is any liability assumed for damages resulting from the refer to diagrams in this section for the main circuit wiring connections. Main circuit wiring diagram for v1000 family : Wiring diagram for multiple connection. Yaskawa v1000 wiring diagram involve some pictures that related one another. You are presented with a large collection of electrical schematic circuit diagrams for cars, scooters, motorcycles & trucks. Yaskawa j1000 parameter settings and wiring connection, বাংলা টিউটোরিয়াল, comming soon yaskawa more how to wire up a yaskawa v1000 ac drive presented by katie nyberg for galco tv.

Neither is any liability assumed for damages resulting from the refer to diagrams in this section for the main circuit wiring connections. Yaskawa assumes no responsibility for errors or omissions. Yaskawa sgdb manuals and user guides for free. Yaskawa sgdb instruction manuals and user guides. 200 v class the wire gauges listed in the following tables are yaskawa recommendations.

Yaskawa Drive Parameter Setting Jog Forward Reverse 2 Wire Mode Potentiometer Remote Hindi Youtube
Yaskawa Drive Parameter Setting Jog Forward Reverse 2 Wire Mode Potentiometer Remote Hindi Youtube from i.ytimg.com
Find out the newest pictures of yaskawa v1000 wiring diagram here, and also you can have the picture here simply. Or run vfd control circuit diagram, vfd display, what is ac drive, what is vfd, describe vfd in detail, what. Yaskawa v1000 wiring diagram involve some pictures that related one another. Diagram shows main circuit teminals of the. Yaskawa assumes no responsibility for errors or omissions. Yaskawa assumes no responsibility for errors or omissions. Wiring yaskawa recommends using ring terminals on all drive models. Neither is any liability assumed for damages resulting from the refer to diagrams in this section for the main circuit wiring connections.

Yaskawa v1000 wiring diagram involve some pictures that related one another.

Yaskawa j1000 parameter setting & control +power wiring connection বাংলা টিউটোরিয়াল Yaskawa assumes no responsibility for errors or omissions. Wiring diagram for multiple connection. Yaskawa assumes no responsibility for errors or omissions. You are presented with a large collection of electrical schematic circuit diagrams for cars, scooters, motorcycles & trucks. Yaskawa assumes no responsibility for errors or omissions. 28 yaskawa v1000 wiring diagram yaskawa wiring diagram. Find out the newest pictures of yaskawa v1000 wiring diagram here, and also you can have the picture here simply. 200 v class the wire gauges listed in the following tables are yaskawa recommendations. Yaskawa assumes no responsibility for errors or omissions. Diagram shows main circuit teminals of the. Yaskawa j1000 parameter settings and wiring connection, বাংলা টিউটোরিয়াল, comming soon yaskawa more how to wire up a yaskawa v1000 ac drive presented by katie nyberg for galco tv. Neither is any liability assumed for damages resulting from the refer to diagrams in this section for the main circuit wiring connections.

Iklan Atas Artikel

Iklan Tengah Artikel 1

Iklan Tengah Artikel 2

Iklan Bawah Artikel