Yamaha 650 Wiring Diagram : Wiring Diagram Yamaha 1980 XS650G 61499 - Circuit and Wiring Diagram Download / Yamaha outboard wiring diagram inspirational yamaha 703 remote.

Yamaha 650 Wiring Diagram : Wiring Diagram Yamaha 1980 XS650G 61499 - Circuit and Wiring Diagram Download / Yamaha outboard wiring diagram inspirational yamaha 703 remote.. Diagnosing starter problems yamaha xs650 forum. 1981 yamaha xj650 seca wiring diagram. 82 yamaha maxim xj650 wiring diagram wiring library. Following the notation and keyboard diagram in the display, try playing a chord in the playing range. Seeking details concerning yamaha waverunner 650 wiring diagram?

Buy it now 655 shipping. Pw50 wiring diagram wiring diagram dash. Fuse box yamaha v star 650 wiring diagram. Yamaha xs650 xs 650 simplified electrical wiring diagram schematic here. Wiring diagram yamaha v star 650.

90-93 Yamaha Superjet 650 Wiring Diagram
90-93 Yamaha Superjet 650 Wiring Diagram from schematron.org
New yamaha wiring diagram symbols diagrams digramssample diagramimages wiringdiagramsample wiringdiagram check more at htt yamaha r6 yamaha fzr 600 yamaha. Buy it now 655 shipping. 1981 yamaha xj650 seca wiring diagram. Circuit yamaha v star 650 wiring diagrams are used for the look (circuit structure), development (such as pcb layout), and routine maintenance of circuit yamaha v star 650 wiring diagrams are images with symbols which have differed from country to place and also have improved over time, but. Electrical wiring diagram of motorcycle motorcycle wiring. Yamaha 650 wiring schematic wiring diagram. 800 x 600 px, source: Triumph 650 wiring diagram wiring diagram wiring diagram for a.

Following the notation and keyboard diagram in the display, try playing a chord in the playing range.

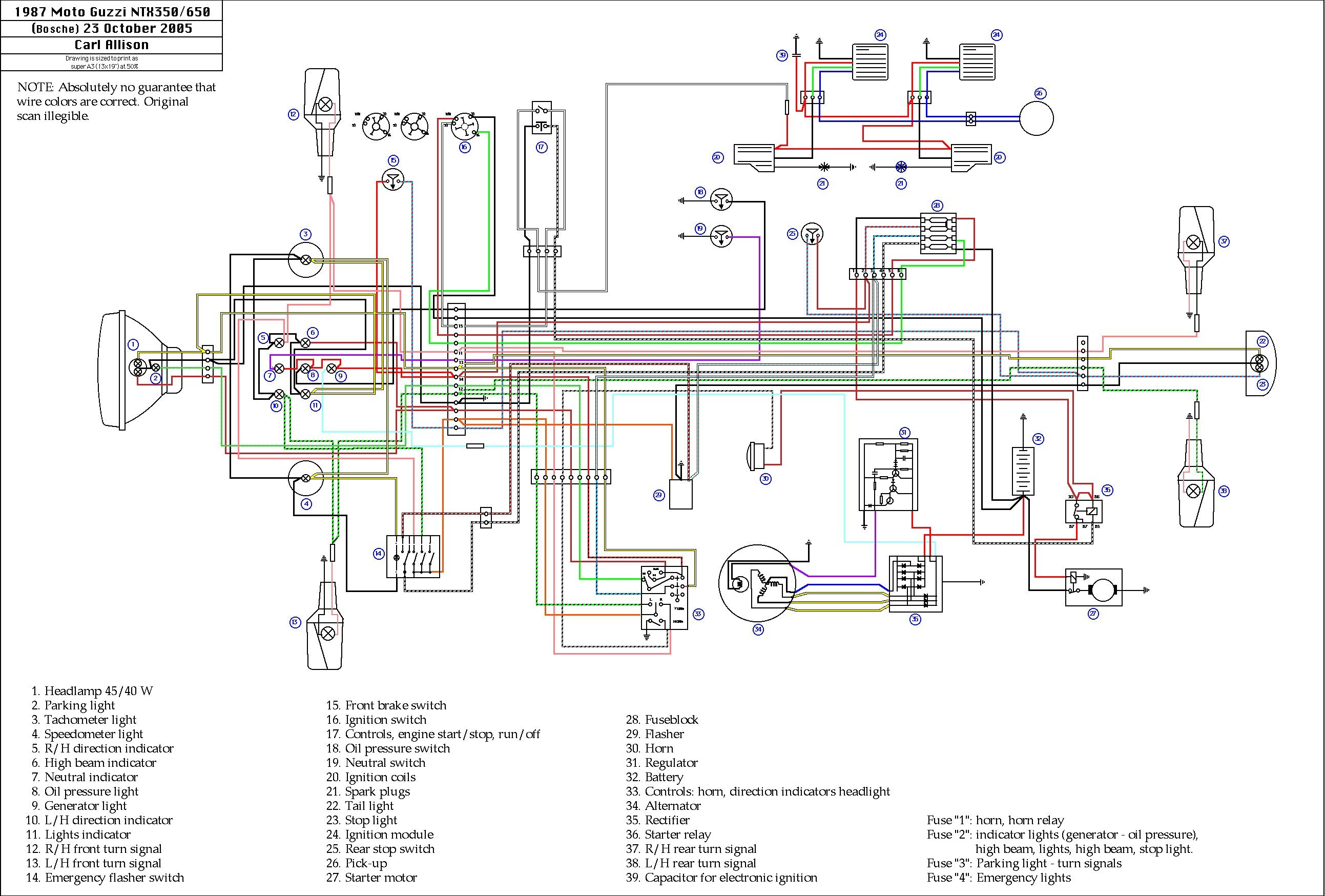
800 x 600 px, source: Some wiring diagrams page 39 yamaha xs650 forum motorcycle wiring car alternator electrical circuit diagram. Note #2 if your backfiring through your carbs, switch the orange and grey wires coming off the points. It shows the components of the circuit as simplified shapes, and the skill and signal friends amid the devices. Yamaha 650 wiring diagram wiring diagram show. I got tired of looking for a good diagram for the yamaha xs650 that wasn't completely wrong….so i made one. The yamaha 650 wiring explained 1978 thru 1982 models. Regulatorrectifier combo with points wiring diagram. Yamaha at2 125 electrical wiring diagram schematic 1972 here. Seeking details concerning yamaha waverunner 650 wiring diagram? V star 650 classic wiring diagram from yamaha v star 650 wiring diagram , source:83.princestaash.org v star 650 classic so, if you'd like to get all of these magnificent shots about (best of yamaha v star 650 wiring diagram ), press save link to store these images in your pc. Whatever you are, we attempt to bring. Yamaha xs 1 650 wiring diagram rating 61 out of 100 based on 407 user ratings the yamaha xs 1 650 wiring diagram can be download for free.

2009 yamaha v star 650 wiring diagram. We offer image wiring diagram yamaha v star 650 is comparable, because our website focus on this category, users can find their way easily and we show a straightforward theme to find images that allow a customer to find. Yamaha outboard wiring diagram inspirational yamaha 703 remote. I got a yamaha v star 650trying to find a wiring diagram for itthe wires has been cut on them and need to no answered by a verified motorcy. Throttle position sensor (tps) 1.wire harness • check the wire harness for continuity.

Wiring Diagram For Yamaha 350Z / 3671f2 Wiring Schematic 1997 Yamaha Vmax Wiring Diagram Library ...
Wiring Diagram For Yamaha 350Z / 3671f2 Wiring Schematic 1997 Yamaha Vmax Wiring Diagram Library ... from all-moto.net
Wiring diagram yamaha v star 650. Vstar 650 wiring diagram diagram data schema. 800 x 600 px, source: Yamaha xs850 xs 850 electrical wiring diagram schematics 1976 to 1981 here. Following the notation and keyboard diagram in the display, try playing a chord in the playing range. Wiring diagram for a i wont have a starter horn or that regrec. Seeking details concerning yamaha waverunner 650 wiring diagram? Wiring diagram for yamaha v star 650.

You might be a service technician who intends to try to find yamaha 650 wiring diagram yamaha gas golf cart wiring diagram, size:

Thexscafe checking out yamaha xs650 motorcycles. Yamaha 650 wiring diagram wiring diagram show. Modifiedchopper electronic ignition circuit with 7 wire. Wiring diagram for 2000 yamaha xvs650 yamaha 2000 xvs 650 dragstar classic question. We offer image wiring diagram yamaha v star 650 is comparable, because our website focus on this category, users can find their way easily and we show a straightforward theme to find images that allow a customer to find. Some wiring diagrams page 39 yamaha xs650 forum motorcycle wiring car alternator electrical circuit diagram. Wiring diagram for a i wont have a starter horn or that regrec. Yamaha xs650 xs 650 b c electrical wiring diagram schematics 1975 1976 here. It is indeed very difficult for students to figure out where and when to use diagrams in math. Diagnosing starter problems yamaha xs650 forum. Wiring diagram yamaha v star 650. Note #2 if your backfiring through your carbs, switch the orange and grey wires coming off the points. A wiring diagram is a simple graph of the physical links and physical design of an electric system or circuit.

Wiring diagram yamaha v star 650. Yamaha outboard wiring diagram inspirational yamaha 703 remote. Vstar 650 wiring diagram diagram data schema. Wiring diagram for 2000 yamaha xvs650 yamaha 2000 xvs 650 dragstar classic question. Diagnosing starter problems yamaha xs650 forum.

Yamaha 650 Wiring Diagram - Wiring Diagram Schemas
Yamaha 650 Wiring Diagram - Wiring Diagram Schemas from farm5.staticflickr.com
Yamaha xj series minimum wiring diagram moto repair see more. Whatever you are, we attempt to bring. V star 650 classic wiring diagram from yamaha v star 650 wiring diagram , source:83.princestaash.org v star 650 classic so, if you'd like to get all of these magnificent shots about (best of yamaha v star 650 wiring diagram ), press save link to store these images in your pc. Yamaha 650 wiring diagram wiring diagram show. Fuse box yamaha v star 650 wiring diagram. Simple, easy to read you can find them at smallparts.com just search 4mm nylon screw. Seeking details concerning yamaha waverunner 650 wiring diagram? New yamaha wiring diagram symbols diagrams digramssample diagramimages wiringdiagramsample wiringdiagram check more at htt yamaha r6 yamaha fzr 600 yamaha.

Pw50 wiring diagram wiring diagram dash.

I got tired of looking for a good diagram for the yamaha xs650 that wasn't completely wrong….so i made one. You should try as much as possible to make it much easier for your students to. Changed an indicator on the rear left side. Find great deals on ebay for xs650 wiring. You might be a service technician who intends to try to find yamaha 650 wiring diagram yamaha gas golf cart wiring diagram, size: 82 yamaha maxim xj650 wiring diagram wiring library. Thexscafe checking out yamaha xs650 motorcycles. Simple, easy to read you can find them at smallparts.com just search 4mm nylon screw. Fuse box yamaha v star 650 wiring diagram. Wiring diagram for yamaha v star 650. Buy it now 655 shipping. A wiring diagram is a simple graph of the physical links and physical design of an electric system or circuit. Yamaha xs850 xs 850 electrical wiring diagram schematics 1976 to 1981 here.

Iklan Atas Artikel

Iklan Tengah Artikel 1

Iklan Tengah Artikel 2

Iklan Bawah Artikel