Wiring Harnes 2006 Jettum - Engine Wiring Harness 2001 01 VW Jetta MK4 - 2.8 12V VR6 - AFP - Genuine | CarParts4Sale, Inc. : 2006 volkswagen jetta stereo wiring harness.

Wiring Harnes 2006 Jettum - Engine Wiring Harness 2001 01 VW Jetta MK4 - 2.8 12V VR6 - AFP - Genuine | CarParts4Sale, Inc. : 2006 volkswagen jetta stereo wiring harness.. It also applies to mk5 rabbit (golf), gti, gli, or other similar mk6 models like the vw sportwagen tdi. 2010 2009 2008 2007 2006 2005 2004 2003 2002 2001 2000 1999 1998 1997 1996. Free same day store pickup. Order volkswagen jetta headlight wire harness online today. Fastest shipping available and a lowest price 2006 volkswagen jetta trailer wiring guarantee.

Wiring on a 2006 vw jetta, after 50,000 miles the use of electronics and lights on drivers door failed. 2006 vw jetta tdi wiring diagrams diagram direct village course siciliabeb it. American international installer preferred wire harnesses are a vital link between today's mobile electronics and a given vehicle. It shows the components of the circuit as simplified shapes, and the faculty and signal friends with the devices. Free same day store pickup.

9006 FOG LIGHTS LAMPS WIRING HARNESS KIT FOR 06+ VW GOLF JETTA PASSAT CC MK5 MK6 | eBay
9006 FOG LIGHTS LAMPS WIRING HARNESS KIT FOR 06+ VW GOLF JETTA PASSAT CC MK5 MK6 | eBay from d3d71ba2asa5oz.cloudfront.net
2006 vw volkswagen jetta tdi glow plugs wiring harness Complete harness for the engine for vehicles with manual transmission with production date from 07/20/2009 only. Hi scott, did the cheaper harness work for you? 5 should be recalled due to faulty wiring in the vehicle and volkswagen is aware of the problem but will not resolve the issue and i think they should at least fix. I also had this on the mk3 passat tdi. Fastest shipping available and a lowest price 2006 volkswagen jetta trailer wiring guarantee. It also applies to mk5 rabbit (golf), gti, gli, or other similar mk6 models like the vw sportwagen tdi. Wiring on a 2006 vw jetta, after 50,000 miles the use of electronics and lights on drivers door failed.

2006 volkswagen jetta tail light mini bulb.

Order volkswagen jetta headlight wire harness online today. Complete harness for the engine for vehicles with manual transmission with production date from 07/20/2009 only. 2006 volkswagen jetta audio and stereo. 2006 volkswagen jetta tail light mini bulb. Hi scott, did the cheaper harness work for you? A recurring problem on vw for multiple generations is broken wires in the door wiring harness connection. Find deals on jetta wiring harness in electronics on amazon. Ensures dependable connection superior product quality $10.92 More individuals has download 2006 vw jetta driver door wiring harness ebook. Wiring on a 2006 vw jetta, after 50,000 miles the use of electronics and lights on drivers door failed. With plug and play wiring adapters, 12 gauge power wire spool supplied, i had this wiring harness installed in no time. Expert lifetime technical support on all purchases. It also applies to mk5 rabbit (golf), gti, gli, or other similar mk6 models like the vw sportwagen tdi.

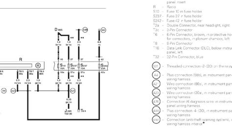
Door wiring harness on a mk5 volkswagen jetta tdi. Wiring on a 2006 vw jetta, after 50,000 miles the use of electronics and lights on drivers door failed. Order volkswagen jetta headlight wire harness online today. Diagram 94 jetta wiring full volkswagen cars 2000 05 main location of power window relay hi all 99 5 vw schematic buick 97 pat tdi mazda 3 2003 2 switch form 2006 fuse box thermador red30vqw drop in electric 2001 fuel pump 1997 radio side door harness on lupo er motor stopped kancil z1 car. This was a known issue and vw actually issued a recall on it years and years ago.

2006 Vw Jettum Radio Wiring Harnes - blogfoodstrew
2006 Vw Jettum Radio Wiring Harnes - blogfoodstrew from lh3.googleusercontent.com
It also applies to mk5 rabbit (golf), gti, gli, or other similar mk6 models like the vw sportwagen tdi. As the door opens and closes, the wires Diagram 94 jetta wiring full volkswagen cars 2000 05 main location of power window relay hi all 99 5 vw schematic buick 97 pat tdi mazda 3 2003 2 switch form 2006 fuse box thermador red30vqw drop in electric 2001 fuel pump 1997 radio side door harness on lupo er motor stopped kancil z1 car. 5 should be recalled due to faulty wiring in the vehicle and volkswagen is aware of the problem but will not resolve the issue and i think they should at least fix. With plug and play wiring adapters, 12 gauge power wire spool supplied, i had this wiring harness installed in no time. Order volkswagen jetta headlight wire harness online today. 2006 vw jetta tdi wiring diagrams diagram direct village course siciliabeb it. I have a 2006 jetta tdi with the basic stereo.

Volkswagen jetta engine wiring harnesses are critical for all of an automobile's electronic components to operate properly.

Shop volkswagen jetta engine wiring harness. Without a wiring harness you will have to cut the factory harness and then test each wire to connect to your radio. Order volkswagen jetta headlight wire harness online today. Upon further inspection, the door wiring harness was also broken. It also applies to mk5 rabbit (golf), gti, gli, or other similar mk6 models like the vw sportwagen tdi. 2006 vw jetta tdi wiring diagrams diagram direct village course siciliabeb it. Ensures dependable connection superior product quality $10.92 Diagram 94 jetta wiring full volkswagen cars 2000 05 main location of power window relay hi all 99 5 vw schematic buick 97 pat tdi mazda 3 2003 2 switch form 2006 fuse box thermador red30vqw drop in electric 2001 fuel pump 1997 radio side door harness on lupo er motor stopped kancil z1 car. Why they can't just use higher quality wiring for at least the door harness, i don't. 2006 vw volkswagen jetta tdi glow plugs wiring harness Find deals on jetta wiring harness in electronics on amazon. Complete electrical harness for your tdi. Wiring on a 2006 vw jetta, after 50,000 miles the use of electronics and lights on drivers door failed.

Fastest shipping available and a lowest price 2006 volkswagen jetta trailer wiring guarantee. Without a wiring harness you will have to cut the factory harness and then test each wire to connect to your radio. Antenna to radio adapter cable. Complete 2006 volkswagen jetta trailer wiring installation instructions and customer reviews. Broken driver s side door wiring harness on 2006 jetta vw tdi forum audi porsche and chevy cruze sel.

rear windows don't go up all the way - TDIClub Forums
rear windows don't go up all the way - TDIClub Forums from ww2.justanswer.com
2006 volkswagen jetta stereo wiring harness. 2006 vw jetta tdi wiring diagrams diagram direct village course siciliabeb it. Expert lifetime technical support on all purchases. 2006 volkswagen jetta this kit made my curt hitch install complete. Volkswagen jetta v tdi engine harnesses. American international installer preferred wire harnesses are a vital link between today's mobile electronics and a given vehicle. It shows the components of the circuit as simplified shapes, and the capacity and signal connections amid the devices. 2006 volkswagen jetta tail light mini bulb.

It also applies to mk5 rabbit (golf), gti, gli, or other similar mk6 models like the vw sportwagen tdi.

Shop volkswagen jetta engine wiring harness. Complete harness for the engine for vehicles with manual transmission with production date from 07/20/2009 only. As the door opens and closes, the wires Volkswagen jetta gli 2006, aftermarket radio wiring harness by american international®, with oem plug. Fastest shipping available and a lowest price 2006 volkswagen jetta trailer wiring guarantee. (mine was a 2006 jetta tdi) you probably have a driver door harness problem. Broken driver s side door wiring harness on 2006 jetta vw tdi forum audi porsche and chevy cruze sel. Find deals on jetta wiring harness in electronics on amazon. Supposedly the early mk5 jetta were bad but hopefully they improved this on later cars. Complete 2006 volkswagen jetta trailer wiring installation instructions and customer reviews. 2006 vw jetta radio wiring diagram pics volkswagen car audio stereo factory for 2004 polo uk 2002 fuse 2003 golf 08 full ross tech vcds afterrmarket problem 2005 tdi diagrams iso adapter parrot 30 1967 1500 2010 gti reverse monsoon passat box all horn wire home mazda 3 saab mk4 trailer Check out free battery charging and engine diagnostic testing while you are in store. 2006 volkswagen jetta this kit made my curt hitch install complete.

Iklan Atas Artikel

Iklan Tengah Artikel 1

Iklan Tengah Artikel 2

Iklan Bawah Artikel