0-30V Stabilized Variable Power Supply With Current Control Circuit Diagram : 0-30V Variable Power Supply circuit Diagram at 3A - ElecCircuit.com | Planos, Torrevieja y Archie's - Here is the circuit diagram and explanation for transformerless power supply.

0-30V Stabilized Variable Power Supply With Current Control Circuit Diagram : 0-30V Variable Power Supply circuit Diagram at 3A - ElecCircuit.com | Planos, Torrevieja y Archie's - Here is the circuit diagram and explanation for transformerless power supply.. Parts list for diy bench power supply. The above design was inspired from the following circuit. The circuit also incorporates an electronic output current limiter that effectively controls the output current from a few milliamperes (2 ma) to the maximum output of. The circuit of arduino controlled variable power supply is fabricated around constant voltage regulator ic and high current adjustable voltage regulator. Variable power supply with digital control.

This is high current and adjustable volt 0 to 30v 20a. Regulated power supply is an electronic circuit that is designed to provide a constant dc voltage of predetermined value across load terminals irrespective of ac mains fluctuations or load variations. I have looked at many schematics but i'm not 100% sure of which to go by. You will able to adjust the output voltage from 0 volt up to 30 volt dc. With adequate heatsinking they can deliver output currents in excess of 1.0 a.

Stabilized Continuous Adjustable DC Regulated Power Supply DIY Kit 0-30V 2mA-3A | eBay
Stabilized Continuous Adjustable DC Regulated Power Supply DIY Kit 0-30V 2mA-3A | eBay from pg-cdn-a2.datacaciques.com
It is used to control the switching converter to obtain pwm switching power supply. A power supply circuit that does not include the features of a variable voltage and current control if you have any doubts regarding this variable voltage and current power supply circuit using original transistor power supply diagram: Power supply for electronic circuit experiments need some special features. Here we present a variable power supply with digital control that is simple and easy to construct. The circuit also incorporates an electronic output current limiter that effectively controls the output current from a few milliamperes (2 ma) to the maximum output of. You will able to adjust the output voltage from 0 volt up to 30 volt dc. At the first time the power supply is turned on, the voltage is increased slowly to avoid. Regulated power supply is an electronic circuit that is designed to provide a constant dc voltage of predetermined value across load terminals irrespective of ac mains fluctuations or load variations.

You will able to adjust the output voltage from 0 volt up to 30 volt dc.

This feature makes this power supply indispensable in the experimenters laboratory as it is possible to limit the current to the typical maximum that a circuit under test may require, and power. Hi all, i'm starting out and would like to build myself a variable bench power supply that keeps current to a maximum of 1a and voltages anywhere between 0v and 30v. This circuit diagram is given below. Regulated power supply is an electronic circuit that is designed to provide a constant dc voltage of predetermined value across load terminals irrespective of ac mains fluctuations or load variations. Circuit diagram variable power supply circuit. 50v 3a stabilized power supply with 2n3055. You will able to adjust the output voltage from 0 volt up to 30 volt dc. Here is the circuit diagram and explanation for transformerless power supply. You will able to adjust the output voltage from 0 volt up to 30 volt dc. Can adjust output 0v to 50v with overcurrent. It is used to control the switching converter to obtain pwm switching power supply. The circuit of arduino controlled variable power supply is fabricated around constant voltage regulator ic and high current adjustable voltage regulator. The circuit also incorporates an electronic output current limiter that effectively controls the output current from a few milliamperes (2 ma) to the maximum output of.

Regulated power supply is an electronic circuit that is designed to provide a constant dc voltage of predetermined value across load terminals irrespective of ac mains fluctuations or load variations. This is high quality stabilized power supply circuit diagram. Circuit diagram variable power supply circuit. Variable power supply with digital control. I have no problem with the transformer/rectification and.

Amazon.com: XLX 10PCS Adjustable DC Regulated Power Supply 0-30V 2MA-3A Laboratory Power Supply ...
Amazon.com: XLX 10PCS Adjustable DC Regulated Power Supply 0-30V 2MA-3A Laboratory Power Supply ... from m.media-amazon.com
A variable dc power supply is very important for electronics projects, prototyping and hobbyists. With the help of this variable dc power supply, the output voltage can be varied from 1.2v to 30v at a current of 1a. The circuit also incorporates an electronic output current limiter that effectively controls the output current from a few milliamperes (2 ma) to the maximum output of. At the first time the power supply is turned on, the voltage is increased slowly to avoid. Here is the variable high voltage dc power supply circuit, which we can customize the output voltage from 0 to 311vdc the power mosfet q1 is controlled the current output, with using the resistor r3 stabilised zener voltage. This is high quality stabilized power supply circuit diagram. The circuit of arduino controlled variable power supply is fabricated around constant voltage regulator ic and high current adjustable voltage regulator. Here we present a variable power supply with digital control that is simple and easy to construct.

In the shown design the current is restricted to 2 amps as displayed, although could be enhanced to 5 amps or even more by opting for a smaller sized.

Here is the circuit diagram and explanation for transformerless power supply. The circuit also incorporates an electronic output current limiter that effectively controls the output current from a few milliamperes (2 ma) to the maximum output of. Here we present a variable power supply with digital control that is simple and easy to construct. Variable power supply with digital control. This feature makes this power supply indispensable in the experimenters laboratory as it is possible to limit the current to the typical maximum that a circuit under test may require, and power. The above design was inspired from the following circuit. Motorola offers a wide range of power supervisory circuits that fulfill these needs. Regulated power supply is an electronic circuit that is designed to provide a constant dc voltage of predetermined value across load terminals irrespective of ac mains fluctuations or load variations. Printed circuit board circuit diagram shop layout. With adequate heatsinking they can deliver output currents in excess of 1.0 a. You will able to adjust the output voltage from 0 volt up to 30 volt dc. Here is the variable high voltage dc power supply circuit, which we can customize the output voltage from 0 to 311vdc the power mosfet q1 is controlled the current output, with using the resistor r3 stabilised zener voltage. A variable dc power supply is very important for electronics projects, prototyping and hobbyists.

The above design was inspired from the following circuit. In the shown design the current is restricted to 2 amps as displayed, although could be enhanced to 5 amps or even more by opting for a smaller sized. Printed circuit board circuit diagram shop layout. You will able to adjust the output voltage from 0 volt up to 30 volt dc. I have looked at many schematics but i'm not 100% sure of which to go by.

Universal Power Supply Circuit
Universal Power Supply Circuit from www.electroschematics.com
With adequate heatsinking they can deliver output currents in excess of 1.0 a. With the help of this variable dc power supply, the output voltage can be varied from 1.2v to 30v at a current of 1a. Presented here is a circuit for 30v 10a variable bench power supply that offers variable voltage and current adjustment. The circuit also incorporates an electronic output current limiter that effectively controls the output current from a few milliamperes (2 ma) to the maximum output of. This feature makes this power supply indispensable in the experimenters laboratory as it is possible to limit the current to the typical maximum that a circuit under test may require, and power. General description this is a high quality power supply with a continuously variable stabilised output adjustable at any value between 0 and 30vdc. Printed circuit board circuit diagram shop layout. This is high quality stabilized power supply circuit diagram.

You will able to adjust the output voltage from 0 volt up to 30 volt dc.

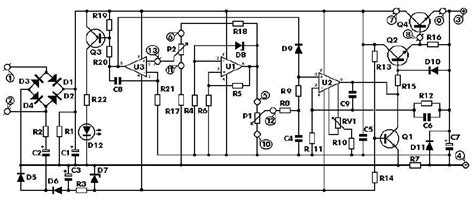
Power supply for electronic circuit experiments need some special features. 50v 3a stabilized power supply with 2n3055. Ideally we need a with this pros and cons, let's design our power supply with switching regulator technology. Printed circuit board circuit diagram shop layout. Presented here is a circuit for 30v 10a variable bench power supply that offers variable voltage and current adjustment. Can adjust output 0v to 50v with overcurrent. Fig.2.2.circuit diagram of variable power supply with digital control pce/ee/03. General description this is a high quality power supply with a continuously variable stabilised output adjustable at any value between 0 and 30vdc. Hi all, i'm starting out and would like to build myself a variable bench power supply that keeps current to a maximum of 1a and voltages anywhere between 0v and 30v. The above design was inspired from the following circuit. This is high current and adjustable volt 0 to 30v 20a. In the shown design the current is restricted to 2 amps as displayed, although could be enhanced to 5 amps or even more by opting for a smaller sized. You will able to adjust the output voltage from 0 volt up to 30 volt dc.

Iklan Atas Artikel

Iklan Tengah Artikel 1

Iklan Tengah Artikel 2

Iklan Bawah Artikel