Yamaha Vx Wiring Diagram - Yamaha Waverunner 2011 Oem Parts Diagram For Electrical 1 Partzilla Com : The site has thousands of topics covering performance and reliability, photos, videos and more!

Yamaha Vx Wiring Diagram - Yamaha Waverunner 2011 Oem Parts Diagram For Electrical 1 Partzilla Com : The site has thousands of topics covering performance and reliability, photos, videos and more!. Images are in resolution from scanner, they all have 9.5mb. Yamaha xp1000 2500 3500 power amplifier service manual 4 mb. Some motorcycle has a bit change in. Therefore, anyone who uses this book to perform maintenance and repairs on yamaha. The included wiring diagram in the back is for the vxs/vxr, but there is no wiring diagram for the vx cruiser ho model.

Images are in resolution from scanner, they all have 9.5mb. Some motorcycle has a bit change in. Wiring diagram (3.5mb) key to diagram technical specific. Yamaha virago xv 535 wiring diagram. Yamaha waverunner vx series personal watercraft.

Yamaha Waverunner Fuse Box New Wiring Diagram Sick Area Sick Area Stonetales It
Yamaha Waverunner Fuse Box New Wiring Diagram Sick Area Sick Area Stonetales It from www.picclickimg.com
Take your fishing to the next level. Wiringdiagram yamaha big bear 350 | wiring diagram image. High end style and technology for less. Savesave yamaha rd400 wiring diagram for later. Hello, i bought yb125 last year and convinced company to print me wiring diagram and technical specifications. Color motorcycle wiring diagrams for classic bikes, cruisers,japanese, europian and domestic.electrical ternminals, connectors and keep checking back for links on how to's, wiring diagrams, and other great information. 68 dt1 color wiring diagram. Yamaha ra100 schematic diagram 561 kb.

Yamaha rxv420 receiver schematic 3 mb.

Yamaha ydre electric wiring diagram. Hello, i bought yb125 last year and convinced company to print me wiring diagram and technical specifications. Free yamaha motorcycle service manuals for download. 68 dt1 color wiring diagram. Wiring diagram for yamaha vx 600 xtce. Yamaha rxv420 receiver schematic 3 mb. Take your fishing to the next level. How to use the wiring diagram legend symbols in the wiring diagrams 1 1. Yamaha waverunner vx 700 manual online: Yamaha virago xv 535 wiring diagram. Some motorcycle has a bit change in. Yamaha waverunner vxs vx1800 manual online: Wiringdiagram yamaha big bear 350 | wiring diagram image.

68 dt1 color wiring diagram. Therefore, anyone who uses this book to perform maintenance and repairs on yamaha. Yamaha ra100 schematic diagram 561 kb. The site has thousands of topics covering performance and reliability, photos, videos and more! I feel like i've searched everything possible on the internet with no success.

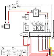
Diagram Yamaha Vx Wiring Diagram Full Version Hd Quality Wiring Diagram Wirdiagram Libertacivili It
Diagram Yamaha Vx Wiring Diagram Full Version Hd Quality Wiring Diagram Wirdiagram Libertacivili It from lh3.googleusercontent.com
High end style and technology for less. Yamaha xp1000 2500 3500 power amplifier service manual 4 mb. Hensim atv wiring diagram gallery. Service manual, presented here, contains 347 pages and can be viewed online or downloaded to your device in pdf format without registration or providing of any personal data. Savesave yamaha rd400 wiring diagram for later. Some motorcycle has a bit change in. I have been told the vx ho wiring diagram (a different model than the vx so, does anybody have either the yamaha vx ho wiring diagram or the vx. This manual was produced by the yamaha motor company, ltd.

Yamaha virago xv 535 wiring diagram.

Garmin® striker 4 gps fishfinder w/ transducer, yamaha transducer bracket, wiring harness, and all supporting hardware. Therefore, anyone who uses this book to perform maintenance and repairs on yamaha. Yamaha vx55 schematic 140 kb. Owner manuals offer all the information to maintain your outboard motor. Yamaha virago xv 535 wiring diagram. It is not possible to include all the knowledge of a mechanic in one manual. I feel like i've searched everything possible on the internet with no success. A yamaha outboard motor is a purchase of a lifetime and is the highest rated in reliability. 5 pin cdi wiring diagram suzuki illustration wiring diagram •. Images are in resolution from scanner, they all have 9.5mb. 68 dt1 color wiring diagram. Yamaha vx110 sport manual is a part of official documentation provided by manufacturing company for devices consumers. Looking for the wiring diagrams for the yamaha command link plus for single engine.

I feel like i've searched everything possible on the internet with no success. 68 dt1 color wiring diagram. Hensim atv wiring diagram gallery. Yamaha ra100 schematic diagram 561 kb. High end style and technology for less.

Diagram Model Ydrex Yamaha Wiring Diagram Full Version Hd Quality Wiring Diagram Tuataradiagram Ladeposizionemisteri It
Diagram Model Ydrex Yamaha Wiring Diagram Full Version Hd Quality Wiring Diagram Tuataradiagram Ladeposizionemisteri It from cartaholics.com
Yamaha vx55 schematic 140 kb. Anyone have a wiring diagram? Color motorcycle wiring diagrams for classic bikes, cruisers,japanese, europian and domestic.electrical ternminals, connectors and keep checking back for links on how to's, wiring diagrams, and other great information. Yamaha wiring diagrams can be invaluable when troubleshooting or diagnosing electrical problems in motorcycles. If you have any questions, please feel free to email me at. On this page you can download yamaha outboard service manual; Wiringdiagram yamaha big bear 350 | wiring diagram image. Service manual, presented here, contains 347 pages and can be viewed online or downloaded to your device in pdf format without registration or providing of any personal data.

I have been told the vx ho wiring diagram (a different model than the vx so, does anybody have either the yamaha vx ho wiring diagram or the vx.

On this page you can download yamaha outboard service manual; Yamaha virago xv 535 wiring diagram. Color motorcycle wiring diagrams for classic bikes, cruisers,japanese, europian and domestic.electrical ternminals, connectors and keep checking back for links on how to's, wiring diagrams, and other great information. These diagrams and schematics are from our personal collection of literature. Wiring diagram (3.5mb) key to diagram technical specific. No wire connector color code b : Anyone have a wiring diagram? Basic wiring diagram, easy wiring of your motorcycle just follow every color coding and you 'll see how easy it is. Yamaha rxv420 receiver schematic 3 mb. I'm specifically looking for something that shows the actual wiring diagram to wire the fuel harness to the sending unit and what the rest of the wires are for that get. Yamaha ra100 schematic diagram 561 kb. Free yamaha motorcycle service manuals for download. Some motorcycle has a bit change in.

Iklan Atas Artikel

Iklan Tengah Artikel 1

Iklan Tengah Artikel 2

Iklan Bawah Artikel