Home
› Wiring Electric Shower Diagram / Electric Water Heater Heating Element Replacement Procedure How To Take Out An Old Heater Element How To Install A New Water Heater Element / The cable can be surface clipped, hidden or via 20 mm conduit.
Wiring Electric Shower Diagram / Electric Water Heater Heating Element Replacement Procedure How To Take Out An Old Heater Element How To Install A New Water Heater Element / The cable can be surface clipped, hidden or via 20 mm conduit.
Wiring Electric Shower Diagram / Electric Water Heater Heating Element Replacement Procedure How To Take Out An Old Heater Element How To Install A New Water Heater Element / The cable can be surface clipped, hidden or via 20 mm conduit.. The new one says 'ac only' between two. Conduit entry can only be from rear. It reveals the components of the circuit as streamlined forms, and also the power as well as signal links in between the devices. A guide to installing electric showers 9 circuit design as it is not practicable to consider in detail every possible combination of wiring system and current demand, the recommendations which follow relate specifically to shower units with the following loadings: Hi in this video i'm showing how to install an electric shower.
Hi, pleae confirm if it is acceptable in terms of regs, to have an electric shower where the supply is. An electric cooker, or stove, is a handy but powerful kitchen appliance. Technical data replacement electric shower switch how to install a double pole mk 50a 1 way pull cord white wickes 45a control and faults in leeds wiring question with contactor british general diagram bathroom for isolator three wire 3 electrical axiom ceiling 10a 2 single light diagrams add new doent installations explained uk diy extractor. In some areas, the lighting and receptacles must be on separate circuits so that if a receptacle trips the circuit breaker, the lights won't go out. The new one says 'ac only' between two.
How To Wire Tankless Electric Water Heater from waterheatertimer.org Standard single pole light switch wiring hometips. I'm sure it's a generic stamp on the switch but the old one says 'mains' inbetween the l and the n. Natalie , a homeowner from lafayette question: Switch off the electricity supply at the mains. How to wire in a new bathroom extractor fan with timer. A separate supply must be provided from the consumer unit to the shower. In this diagram, the electrical source is at the first switch and the light is located at the end of the circuit. Steam shower electrical wiring requirements background:
A wiring diagram is a simplified traditional pictorial depiction of an electrical circuit.
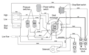
How to wire electric shower uk.don't forget to click youtube bell icon to receive notification about new videos ! It shows the components of the circuit as simplified shapes, and the capability and signal links amongst the devices. Information about the electrical connections for a shower and advice on electrical regulations for showers, fuse boxes and recommended cables. Light fixtures and wall switches must be on a separate circuit. If the cable route is over 13m or the shower is rated up to 10kw, use 10mm 2 cable and a 45amp cartridge fuse of mcb. Hi in this video i'm showing how to install an electric shower. I have created a diagram showing how i plan to wire it. Natalie , a homeowner from lafayette question: But 7.5 kw is ok. See how to install an electric or power shower. 7.5kw, 8.5kw, 9.0kw, 9.5kw, 9.8kw, 10.8kw @ 240v If you have a shower more then 9.2 kw, 10mm cable must be used. Hi, pleae confirm if it is acceptable in terms of regs, to have an electric shower where the supply is.
But 7.5 kw is ok. In some areas, the lighting and receptacles must be on separate circuits so that if a receptacle trips the circuit breaker, the lights won't go out. It shows the elements of the circuit as simplified forms, and also the power and also signal connections in between the tools. Its utility means it runs on a strong current, so you have to take some special precautions when setting one up. Steam shower electrical wiring requirements background:
Eddi Installation Myenergi from myenergi.com My areil 609a steam shower pump is lx wirlpool pump model: Requirements for bathroom wiring image zoom an adequately wired bathroom has a gfci receptacle, a fan/light combination, a waterproof light over the tub, and lights on each side of the mirror. Standard single pole light switch wiring hometips. Just curious if anyone sees any problems with the way i'm doing this? If you have a shower more then 9.2 kw, 10mm cable must be used. But 7.5 kw is ok. Conduit entry can only be from rear. Make sure that all pipes around the electric shower are bonded to the earth and that all electrical wiring is properly grounded.
A wiring diagram is a simplified traditional pictorial depiction of an electrical circuit.
If the route is over 20m, use 16mm 2 cable and a 45amp. The cable can be surface clipped, hidden or via 20 mm conduit. Refer to the wiring diagram before making any electrical connections. It reveals the components of the circuit as streamlined forms, and also the power and signal links between the gadgets. How to wire in a new bathroom extractor fan with timer. The black and red wires between sw1 and sw2 are connected to the traveler terminals. At least this way proper wiring is done and in future if the customer wants to change the shower to a more powerful one, cable is always there. Switch off the electricity supply at the mains. Make sure that all pipes around the electric shower are bonded to the earth and that all electrical wiring is properly grounded. Tda 120/220v 4.6a has three wires (green, white, black) with attached circular metal ends. Answered 5th jan 2015 like 20. Although the wiring work isn't extremely difficult, it can be dangerous if you're not accustomed to it. If the cable route is over 13m or the shower is rated up to 10kw, use 10mm 2 cable and a 45amp cartridge fuse of mcb.
So the power shower brand is brista smile on 6mm cable 40 amp mcb and cold water supply 15mm. This shower is intended to be permanently connected to the fixed electrical wiring of the mains system. 7.5kw, 8.5kw, 9.0kw, 9.5kw, 9.8kw, 10.8kw @ 240v A wiring diagram is a streamlined conventional pictorial depiction of an electrical circuit. If the cable route is over 13m or the shower is rated up to 10kw, use 10mm 2 cable and a 45amp cartridge fuse of mcb.
How Does An Electric Shower Work Explain That Stuff from cdn4.explainthatstuff.com Duplex, gfci, 15, 20, 30, and 50amp receptacles. How to wire in a new bathroom extractor fan with timer. Conduit entry can only be from rear. I'm sure it's a generic stamp on the switch but the old one says 'mains' inbetween the l and the n. It reveals the components of the circuit as streamlined forms, and also the power as well as signal links in between the devices. Measure the distance between the consumer unit and shower heater to work out how much cable you will need. Answered 5th jan 2015 like 20. Electrical wiring a ceiling pull cord switch for electric shower.
To figure the minimum box size required by the national electrical code, add:
At least this way proper wiring is done and in future if the customer wants to change the shower to a more powerful one, cable is always there. In this diagram, the electrical source is at the first switch and the light is located at the end of the circuit. 7.5kw, 8.5kw, 9.0kw, 9.5kw, 9.8kw, 10.8kw @ 240v I normally always use 10 mm cable if the shower is 7.5 kw or more. Make sure that all pipes around the electric shower are bonded to the earth and that all electrical wiring is properly grounded. I've removed the old shower switch (broken cord) and have a new one ready to go. A standard one can have 4 burners and up to 2 ovens. The black and red wires between sw1 and sw2 are connected to the traveler terminals. Variety of basic bathroom wiring diagram. Light fixtures and wall switches must be on a separate circuit. Measure the distance between the consumer unit and shower heater to work out how much cable you will need. Switch off the electricity supply at the mains. Answered 5th jan 2015 like 20.