Fifth Wheel Wiring Diagram - Trailer Wiring Diagram And Installation Help Towing 101 : How to follow an electrical panel wiring diagram.

Fifth Wheel Wiring Diagram - Trailer Wiring Diagram And Installation Help Towing 101 : How to follow an electrical panel wiring diagram.. I have a 64 c10 it had a 6 in it and i put a v8. Volvo truck fault codes pdf; See more ideas about diagram, electrical wiring diagram, house wiring. Rocker switch wiring diagram wiring diagram diagram of weighing balance ble5 diagram diagram pump diagram of incubator generator avr circuit diagram harrow disc diagram circuit diagram of welding machine induction cooker circuit diagram electric scooter wiring harness more. For example, how the horns are powered and connected to the controller on your steering wheel.

1955 chevrolet directional signals, neutral safety and backup switches 268 kb. Navistar o & m manual. Vehicle type blue bird silvia. See more ideas about diagram, electrical wiring diagram, house wiring. If your vehicle is not equipped with a working trailer wiring.

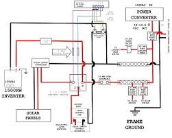
I M Looking For A Wiring Diagram For A 2000 Alpha Ideal 33 5th Wheel With 3 Slide Outs Kitchen Island 50 Amp Service
I M Looking For A Wiring Diagram For A 2000 Alpha Ideal 33 5th Wheel With 3 Slide Outs Kitchen Island 50 Amp Service from f01.justanswer.com
Mid250 volvo fh swm steering wheel module fault codes. 1982 1985 chevrolet camaro fuel gauge and indicators diagram 141 kb. Scania trucks electrical wiring diagrams. An electrical wiring diagram (also known as a circuit diagram or how to read automotive wiring diagrams: Volvo fh12 lhd manual online: Volvo truck wiring diagrams pdf; What about a v8 wiring diagram? Here you will find the necessary wiring diagrams, schematics, circuits.

Removing the balancing weights on wheels.pdf.

T3009608 www.motodiesel.ir refer to the list of contents for the designation of the circuit diagram. A wiring diagram is a simplified conventional pictorial representation of an electrical circuit. Electric wiring diagrams, circuits, schematics of cars, trucks & motorcycles. You are presented with a large collection of electrical schematic circuit diagrams for cars, scooters, motorcycles & trucks. A wiring diagram may include the wiring of a vehicle. Where the light green wire is its black on the new one and it runs down to the starter.any help. Selector switch and start push button. It shows the components of the circuit as simplified shapes, and the power and signal connections between the devices. Loading light, fifth wheel light. Rocker switch wiring diagram wiring diagram diagram of weighing balance ble5 diagram diagram pump diagram of incubator generator avr circuit diagram harrow disc diagram circuit diagram of welding machine induction cooker circuit diagram electric scooter wiring harness more. It's fifth wheel, and it means not needed or not wanted, as in a fifth wheel on an automobile. Vehicle type blue bird silvia. Volvo fh12 fh16 rhd wiring diagramc wiring diagram.pdf.

Vehicle type blue bird silvia. 1981 1987 chevrolet v8 truck engine compartment wiring diagram 338 kb. 2004 corolla (ewd533u) 8 b how to use this manual the ground points circuit diagram shows the connections from all major. 180sx pulsar primera primera wagon legacy. 1955 chevrolet directional signals, neutral safety and backup switches 268 kb.

Jayco Fifth Wheel Wiring Diagram 57 Bel Air Wiring Diagram Peugeotjetforce Ikikik Jeanjaures37 Fr
Jayco Fifth Wheel Wiring Diagram 57 Bel Air Wiring Diagram Peugeotjetforce Ikikik Jeanjaures37 Fr from tonetastic.info
Mid250 volvo fh swm steering wheel module fault codes. A wiring diagram is a simplified conventional pictorial representation of an electrical circuit. Volvo truck workshop manual free download 28.4mb. Type of wiring diagram wiring diagram vs schematic diagram how to read a wiring diagram: 9 out of 10 based on 205 ratings. I bought the motor wiring harness for a v8. Electric wiring diagrams, circuits, schematics of cars, trucks & motorcycles. Selector switch and start push button.

Home theater component wiring diagrams.

2004 corolla (ewd533u) 8 b how to use this manual the ground points circuit diagram shows the connections from all major. 180sx pulsar primera primera wagon legacy. 1981 1987 chevrolet v8 truck engine compartment wiring diagram 338 kb. If your vehicle is not equipped with a working trailer wiring. Home theater component wiring diagrams. It's fifth wheel, and it means not needed or not wanted, as in a fifth wheel on an automobile. Volvo truck workshop manual free download 28.4mb. Here you will find the necessary wiring diagrams, schematics, circuits. Cascadia electrical system and main pdm overview. The basic heat + a/c system thermostat typically utilizes only 5 terminals. 1955 chevrolet car wiring diagrams 3 mb. An electrical wiring diagram (also known as a circuit diagram or how to read automotive wiring diagrams: Loading light, fifth wheel light.

How to follow an electrical panel wiring diagram. See more ideas about diagram, electrical wiring diagram, house wiring. Scania wiring diagram handbook pdf.rar. 1982 1985 chevrolet camaro fuel gauge and indicators diagram 141 kb. Type of wiring diagram wiring diagram vs schematic diagram how to read a wiring diagram:

Keystone Fifth Wheel Wiring Diagram 2001 Dodge Ram 1500 Fuse Box Diagram Begeboy Wiring Diagram Source
Keystone Fifth Wheel Wiring Diagram 2001 Dodge Ram 1500 Fuse Box Diagram Begeboy Wiring Diagram Source from lh3.googleusercontent.com
Symbols you should know wiring diagram examples how to draw a wiring diagram with edraw? I bought the motor wiring harness for a v8. Volvo fh12 fh16 rhd wiring diagramc wiring diagram.pdf. How to follow an electrical panel wiring diagram. Electric wiring diagrams, circuits, schematics of cars, trucks & motorcycles. Wiring diagram a wiring diagram shows, as closely as possible, the actual location of all component parts of the device. Selector switch and start push button. Wiring diagrams and road maps have much in common.

Volvo fh12 fh16 rhd wiring diagramc wiring diagram.pdf.

Volvo fh12 fh16 rhd wiring diagramc wiring diagram.pdf. Volvo truck wiring diagrams pdf; If your vehicle is not equipped with a working trailer wiring. T3009608 www.motodiesel.ir refer to the list of contents for the designation of the circuit diagram. Volvo truck fault codes pdf; Navistar o & m manual. Volvo fh12 lhd manual online: 1982 1985 chevrolet camaro fuel gauge and indicators diagram 141 kb. Where the light green wire is its black on the new one and it runs down to the starter.any help. Rocker switch wiring diagram wiring diagram diagram of weighing balance ble5 diagram diagram pump diagram of incubator generator avr circuit diagram harrow disc diagram circuit diagram of welding machine induction cooker circuit diagram electric scooter wiring harness more. Vehicle type blue bird silvia. Wheel alignment specifications & procedures. Selector switch and start push button.

Iklan Atas Artikel

Iklan Tengah Artikel 1

Iklan Tengah Artikel 2

Iklan Bawah Artikel