Allison Transmission Shifter Wiring Diagram : Need Pnp Park Neutral Switch Wiring Diagram Or Pin Outs Ls1tech Camaro And Firebird Forum Discussion : Below are 47 working coupons for allison transmission shifter codes from reliable websites that we have updated for users to get maximum savings.

Allison Transmission Shifter Wiring Diagram : Need Pnp Park Neutral Switch Wiring Diagram Or Pin Outs Ls1tech Camaro And Firebird Forum Discussion : Below are 47 working coupons for allison transmission shifter codes from reliable websites that we have updated for users to get maximum savings.. Following table shows wire colors related to electrical circuits. Allison transmission service manuals pdf, spare parts catalog, fault codes and wiring diagrams. • information on the repair of wires, terminals and connectors. All models have neutral, reverse, and up to 5 each sensor consists of a wire coil wrapped around a pole piece that is adjacent to a permanent magnet. Ht 700 hydr service manual

Use the p/n from your appropriate parts catalog or from appendix e in this manual. Common issue fix with the allison 5 speed tcm. Both qualities will contribute to improving the overall fuel economy and. Ford f150 5 4 engine diagram. I read that lead terminal c14 is my tc lockup (solenoid #3), c15 is solenoid #2 and c16.

Need Pnp Park Neutral Switch Wiring Diagram Or Pin Outs Ls1tech Camaro And Firebird Forum Discussion
Need Pnp Park Neutral Switch Wiring Diagram Or Pin Outs Ls1tech Camaro And Firebird Forum Discussion from i.imgur.com
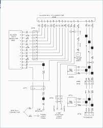
F electrical wiring diagram (system circuits). Allison transmission could not possibly know, evaluate, and advise the service trade of all conceivable ways in which service might be done or of the possible hazardous consequences of each. I am an allison transmission technician with 10 years of experience with working on them. See the best & latest allison transmission shifter codes on iscoupon.com. Legend of wiring diagram of manual transmission. Common issue fix with the allison 5 speed tcm. Allison shift selector op & codes. I read that lead terminal c14 is my tc lockup (solenoid #3), c15 is solenoid #2 and c16.

See the best & latest allison transmission shifter codes on iscoupon.com.

All of coupon codes are verified and tested today! Ford f150 5 4 engine diagram. Ht 700 hydr service manual All models have neutral, reverse, and up to 5 each sensor consists of a wire coil wrapped around a pole piece that is adjacent to a permanent magnet. Allison transmission could not possibly know, evaluate, and advise the service trade of all conceivable ways in which service might be done or of the possible hazardous consequences of each. See the best & latest allison transmission shifter codes on iscoupon.com. Following table shows wire colors related to electrical circuits. Allison transmission shift selector operation manual. Allison transmission the inner workings and technical know how freightliner. Hyundai mighty truck is gaining. Motorhome series (mh) transmissions 3000 and 4000 product families. • repair shift selector will be available through the allison transmission parts distribution center (pdc). Legend of wiring diagram of manual transmission.

Home » allison transmission » allison transmission service manuals free download. Following table shows wire colors related to electrical circuits. Common issue fix with the allison 5 speed tcm. We need a wiring schematic/fuse box diagram for a 2008 navistar 8600 sba 6x4 cummons isx diesel. Hyundai mighty truck is gaining.

Vf 9994 Allison Wtec 3 Transmission Wiring Diagram Free Picture Wiring Free Diagram
Vf 9994 Allison Wtec 3 Transmission Wiring Diagram Free Picture Wiring Free Diagram from static-assets.imageservice.cloud
Allison transmission is the world's largest manufacturer of fully. Allison products are specified by over 250 vehicle manufacturers and are used in many market sectors including bus, refuse, fire, construction. • repair shift selector will be available through the allison transmission parts distribution center (pdc). Ht 700 hydr service manual This provides a significant reduction in friction loss and reduces the transmission's rotating mass. Allison 1000/2000/2400 series transmissions are torque converter driven fully automatic units. Below are 47 working coupons for allison transmission shifter codes from reliable websites that we have updated for users to get maximum savings. Common issue fix with the allison 5 speed tcm.

Related searches for allison transmission shifter wiring diagram allison transmission shifterallison transmission shifter usedallison transmission shifter partsallison transmission electronic shifterallison 1000 transmission shifterallison transmission shifter resetallison transmission shift.

Following table shows wire colors related to electrical circuits. F electrical wiring diagram (system circuits). Section 11 wiring diagrams subsection 01 (wiring diagrams). Allison shift selector op & codes. Related searches for allison transmission shifter wiring diagram allison transmission shifterallison transmission shifter usedallison transmission shifter partsallison transmission electronic shifterallison 1000 transmission shifterallison transmission shifter resetallison transmission shift. All of coupon codes are verified and tested today! 5th generation oil level information, diagnostic codes and prognostic features for 3000/4000 series and tc10 allison transmissions. See the best & latest allison transmission shifter codes on iscoupon.com. I read that lead terminal c14 is my tc lockup (solenoid #3), c15 is solenoid #2 and c16. Use the p/n from your appropriate parts catalog or from appendix e in this manual. Backup lamp switch (manual transmission) clutch pedal switch cruise control switch memory recall decelerate/set accelerate/set off control contact ground point (waistrail) main wiring. Allison products are specified by over 250 vehicle manufacturers and are used in many market sectors including bus, refuse, fire, construction. Allison transmission is providing for service of wiring harnesses and wiring harness components as follows:

All models have neutral, reverse, and up to 5 each sensor consists of a wire coil wrapped around a pole piece that is adjacent to a permanent magnet. Allison shift selector op & codes. See the best & latest allison transmission shifter codes on iscoupon.com. 5th generation oil level information, diagnostic codes and prognostic features for 3000/4000 series and tc10 allison transmissions. Allison transmission service manuals pdf, spare parts catalog, fault codes and wiring diagrams.

Allison Transmission Driver Training Youtube
Allison Transmission Driver Training Youtube from i.ytimg.com
Allison transmission the inner workings and technical know how freightliner. Below are 47 working coupons for allison transmission shifter codes from reliable websites that we have updated for users to get maximum savings. Allison products are specified by over 250 vehicle manufacturers and are used in many market sectors including bus, refuse, fire, construction. F electrical wiring diagram (system circuits). Allison transmission shift selector operation manual. Introducing allison's tes 668™—the next generation of transmission fluid. Allison 1000/2000/2400 series transmissions are torque converter driven fully automatic units. Hyundai mighty truck is gaining.

F electrical wiring diagram (system circuits).

Below are 47 working coupons for allison transmission shifter codes from reliable websites that we have updated for users to get maximum savings. Allison transmission the inner workings and technical know how freightliner. Ht 700 hydr service manual Manual transmission shifter assembly by usa standard gear®. Allison products are specified by over 250 vehicle manufacturers and are used in many market sectors including bus, refuse, fire, construction. All models have neutral, reverse, and up to 5 each sensor consists of a wire coil wrapped around a pole piece that is adjacent to a permanent magnet. This provides a significant reduction in friction loss and reduces the transmission's rotating mass. 5th generation oil level information, diagnostic codes and prognostic features for 3000/4000 series and tc10 allison transmissions. All of coupon codes are verified and tested today! Section 11 wiring diagrams subsection 01 (wiring diagrams). See the best & latest allison transmission shifter codes on iscoupon.com. Allison transmission allison transmission is an american manufacturer of commercial duty automatic transmissions and hybrid propulsion systems. I'm thinking that i probably will need to take it to the local allison shop and get the air shifter rebuilt.

Iklan Atas Artikel

Iklan Tengah Artikel 1

Iklan Tengah Artikel 2

Iklan Bawah Artikel