50 Hp Mercury Outboard Wiring Diagram - Diagram Mercury 25xd Wiring Diagram Full Version Hd Quality Wiring Diagram Solardiagram Ladeposizionemisteri It - I'm looking for a wiring diagram for a mercury 75 hp 4 stroke s/n:0g982237 production year 2007 thank you.

50 Hp Mercury Outboard Wiring Diagram - Diagram Mercury 25xd Wiring Diagram Full Version Hd Quality Wiring Diagram Solardiagram Ladeposizionemisteri It - I'm looking for a wiring diagram for a mercury 75 hp 4 stroke s/n:0g982237 production year 2007 thank you.. I also have a 2003 50 hp mercury. Mercury uses a specific system when assigning either serial or model numbers to their mercury outboard motors, however either of these can be used to lookup oem parts for your motor. Download a repair manual to your computer, tablet or smart phone instantly. How to adjust idle speed on 50 hp mercury 4 cyl outboard. Mercury outboard and sterndrive products should not have fuel added that exceeds 10% ethanol.

A person can get an ignition coil wiring diagram for a 1987 dodge ram 50 in the maintenance manual. Mercury 500 outboard 50hp manual etikinternalcom, title: • for all outboards and alpha and bravo one sterndrives with up to 250 hp and top speed of less than 50 mph. A 50 hp mercury outboard, serial number a159823, would be a 1985 year model. A wiring diagram is frequently used to repair issues and also making certain that the connections have actually been made and that everything is present.

Diagram Evenrude 40 Hp 4 Stroke Wiring Diagram Full Version Hd Quality Wiring Diagram Curcuitdiagrams Cittadivita It
Diagram Evenrude 40 Hp 4 Stroke Wiring Diagram Full Version Hd Quality Wiring Diagram Curcuitdiagrams Cittadivita It from wiringall.com
1997 mercury villager car stereo radio wiring diagram radio constant 12v+ wire: Do you have manuals for these motors? 40 hp 45 hp 50 hp 55 hp 60 hp 65 hp 70 hp 75 hp 80 hp 85 hp 90 hp 95 hp 100 hp 110 hp 115 hp. Mercury 50 hp outboard wiring diagram it is far more helpful as a reference guide if anyone wants to know about the home's electrical system. 50hp repair manual search phrases. All manuals are in pdf format for quick easy download. Dry all wiring and electrical components using compressed air. 2003 mercury 50 hp 4 stroke wiring diagram.

Ignition ignition coil removal and installation 1.

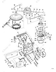
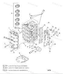
Engine wire color codes for most outboard engines. 50 hp wiring diagram wiring harness 1970 mercury 115 hp outboard. All manuals are in pdf format for quick easy download. 1968 yamaha outboard 50 hp troubleshooting not running all cylinders. Mercury/mariner 50 hp (3 cyl.) wide open throttle rpm: • for all outboards and alpha and bravo one sterndrives with up to 250 hp and top speed of less than 50 mph. Refer to section 2 part d for wiring diagrams. How to adjust idle speed on 50 hp mercury 4 cyl outboard. Is the least efficient diagram among the electrical wiring diagram. Ignition ignition coil removal and installation 1. A 50 hp mercury outboard, serial number a159823, would be a 1985 year model. A wiring diagram is frequently used to repair issues and also making certain that the connections have actually been made and that everything is present. Datasheet 1980 ford f100 owners manual mercury outboard tachometer wiring diagram.

How to adjust idle speed on 50 hp mercury 4 cyl outboard. Green/purple radio ignition switched 12v+ wire: Engine wire color codes for most outboard engines. 2003 mercury 50 hp 4 stroke wiring diagram. A person can get an ignition coil wiring diagram for a 1987 dodge ram 50 in the maintenance manual.

Color Codes For A Mercury Wiring Harness
Color Codes For A Mercury Wiring Harness from www.boatpartstore.com
• for all outboards and alpha and bravo one sterndrives with up to 250 hp and top speed of less than 50 mph. I also have a 2003 50 hp mercury. Download a repair manual to your computer, tablet or smart phone instantly. Mercury/mariner 50 hp (3 cyl.) wide open throttle rpm: Mercury 500 outboard 50hp manual etikinternalcom, title: August 7th in boating freebies by branson werner. We specialize in volvo penta volvo penta engines, outdrives, propellers, and other accessories, but we also carry mercruiser, pcm, cummins, perkins, etc. I'm looking for a wiring diagram for a mercury 75 hp 4 stroke s/n:0g982237 production year 2007 thank you.

Mercury/mariner 50 hp (3 cyl.) wide open throttle rpm:

Right here, we have countless book mercury mariner 2001 2003 service manual 50 60 hp 50hp 60hp 4 stroke outboard and collections to check out. 24 486 просмотров 24 тыс. 1997 mercury villager car stereo radio wiring diagram radio constant 12v+ wire: Yamaha 50 hp two stroke engine exploded diagram. 2003 mercury 50 hp 4 stroke wiring diagram. Datasheet 1980 ford f100 owners manual mercury outboard tachometer wiring diagram. Refer to section 2 part d for wiring diagrams. Black/light green radio illumination wire: How to adjust idle speed on 50 hp mercury 4 cyl outboard. Mercury 40 hp wire harness trim circuit diagram symbols •. Mercury 50 hp outboard wiring diagram it is far more helpful as a reference guide if anyone wants to know about the home's electrical system. All manuals are in pdf format for quick easy download. Is the least efficient diagram among the electrical wiring diagram.

50 hp wiring diagram wiring harness 1970 mercury 115 hp outboard. Dry all wiring and electrical components using compressed air. Is the least efficient diagram among the electrical wiring diagram. 24 486 просмотров 24 тыс. Remove and install ignition coils as shown.

Diagram 135 Hp Mercury Outboard Wiring Diagram Full Version Hd Quality Wiring Diagram Pindiagram Hosteria87 It
Diagram 135 Hp Mercury Outboard Wiring Diagram Full Version Hd Quality Wiring Diagram Pindiagram Hosteria87 It from i1.wp.com
Wiring diagram for choke on 50 hp outboard mercury. I'm looking for a wiring diagram for a mercury 75 hp 4 stroke s/n:0g982237 production year 2007 thank you. Need to see a wiring diagram for an 85 hp mercury 50 hp. Engine wire color codes for most outboard engines. All manuals are in pdf format for quick easy download. Mercury outboard and sterndrive products should not have fuel added that exceeds 10% ethanol. Place harness into the holder. Datasheet 1980 ford f100 owners manual mercury outboard tachometer wiring diagram.

Download a repair manual to your computer, tablet or smart phone instantly.

Ignition ignition coil removal and installation 1. Mercury outboard tachometer wiring diagram also with mercury outboard tach wiring diagram including mercury. 472 wiring diagrams discount marine. Its components are shown by the pictorial to be easily identifiable. 2003 mercury 50 hp 4 stroke wiring diagram. Refer to section 2 part d for wiring diagrams. The diagram offers visual representation of the electric there are two things which are going to be found in almost any 40 hp mercury outboard wiring diagram. Position remote control into neutral. • for all outboards and alpha and bravo one sterndrives with up to 250 hp and top speed of less than 50 mph. 40 hp 45 hp 50 hp 55 hp 60 hp 65 hp 70 hp 75 hp 80 hp 85 hp 90 hp 95 hp 100 hp 110 hp 115 hp. August 7th in boating freebies by branson werner. I also have a 2003 50 hp mercury. Mercury/mariner 50 hp (3 cyl.) wide open throttle rpm:

Iklan Atas Artikel

Iklan Tengah Artikel 1

Iklan Tengah Artikel 2

Iklan Bawah Artikel