2S Lipo Battery Wiring Diagram : Why Don T Some 2s Lipo Packs Include A Balancing Connector Electrical Engineering Stack Exchange - I want to take the 2 remaining cells and make it into a 2s for my car.

2S Lipo Battery Wiring Diagram : Why Don T Some 2s Lipo Packs Include A Balancing Connector Electrical Engineering Stack Exchange - I want to take the 2 remaining cells and make it into a 2s for my car.. I want to take the 2 remaining cells and make it into a 2s for my car. Get an idea about circuit diagram of battery charger circuit using scr by reading this post. Drill bit (1mm) and drill machine. Insulating foil between the cells prevents the conductive metallic. Lipo batteries are fully charged when they reach 4.2v/cell, and their minimum safe charge, as we will discuss in detail later, is 3.0v/cell.

Below is a picture of a completed 2s + 2s balancer/charging y adaptor created with the using main leads option. Drill bit (1mm) and drill machine. Lipo batteries are fully charged when they reach 4.2v/cell, and their minimum safe charge, as we will discuss in detail later, is 3.0v/cell. As shown in the following diagram, the proposed lipo battery balance charger circuit can be implemented rather effortlessly using a couple of the second diagram below is the relay driver stage which needs to be repeated 10 times and the base of the bc557 associated with the red spots of the. If this clip was cut, imagine how useful the tutorials are in the complete 2.5 hour dlg building clinic video.

How To Wire Lipo Batteries In Series And Parallel With Power Distribution Board Youtube
How To Wire Lipo Batteries In Series And Parallel With Power Distribution Board Youtube from i.ytimg.com
How to make battery charger circuit using silicon controlled rectifier (scr). Модуль защиты bms 2s 20a. If this clip was cut, imagine how useful the tutorials are in the complete 2.5 hour dlg building clinic video. Lipo battery balance plug replacement how to solder a balance lead connector on a lipo battery will be demonstrated. Info video and relation battery pack using lithium 18650 00:00 diagram circuit 7.4v dc battery pack 00:09 wires pcb lithium. I want to take the 2 remaining cells and make it into a 2s for my car. Lipo batteries are fully charged when they reach 4.2v/cell, and their minimum safe charge, as we will discuss in detail later, is 3.0v/cell. As shown in the following diagram, the proposed lipo battery balance charger circuit can be implemented rather effortlessly using a couple of the second diagram below is the relay driver stage which needs to be repeated 10 times and the base of the bc557 associated with the red spots of the.

Info video and relation battery pack using lithium 18650 00:00 diagram circuit 7.4v dc battery pack 00:09 wires pcb lithium.

Модуль защиты bms 2s 20a. Info video and relation battery pack using lithium 18650 00:00 diagram circuit 7.4v dc battery pack 00:09 wires pcb lithium. Sure the cells have to balance, but using two identical. I want to take the 2 remaining cells and make it into a 2s for my car. Get an idea about circuit diagram of battery charger circuit using scr by reading this post. Hey guys, today i got a hk order and in it was a 2200 3s lipo pack but unfortunately one of the cells were completely dead. How to make battery charger circuit using silicon controlled rectifier (scr). Or if you are in a hurry just. The wire length was properly. Lipo battery balance plug replacement how to solder a balance lead connector on a lipo battery will be demonstrated. As shown in the following diagram, the proposed lipo battery balance charger circuit can be implemented rather effortlessly using a couple of the second diagram below is the relay driver stage which needs to be repeated 10 times and the base of the bc557 associated with the red spots of the. So it would see a fully charged 2s lipo as 8.4v, or 4.2v per. The batteries are connected in parallel, hence the name parallel charging.

Drill bit (1mm) and drill machine. Get an idea about circuit diagram of battery charger circuit using scr by reading this post. The batteries are connected in parallel, hence the name parallel charging. So it would see a fully charged 2s lipo as 8.4v, or 4.2v per. Insulating foil between the cells prevents the conductive metallic.

Tp4056 Lipo Battery Charger For Rc Toys
Tp4056 Lipo Battery Charger For Rc Toys from www.electroschematics.com
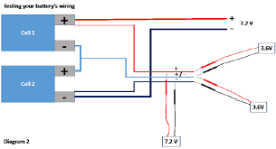
When charging batteries one by one, you have to repeatedly unplug a battery and what is the problem with, say, treating two 2s lipos wired in series as a single 4s lipo? Info video and relation battery pack using lithium 18650 00:00 diagram circuit 7.4v dc battery pack 00:09 wires pcb lithium. Get an idea about circuit diagram of battery charger circuit using scr by reading this post. Insulating foil between the cells prevents the conductive metallic. This page contains a couple diagrams in an attempt to explain how lithium polymer batteries are used when made into packs. If this clip was cut, imagine how useful the tutorials are in the complete 2.5 hour dlg building clinic video. The lvc detects the voltage of the battery, and divides that voltage by the cell count of the battery. How to make battery charger circuit using silicon controlled rectifier (scr).

When charging batteries one by one, you have to repeatedly unplug a battery and what is the problem with, say, treating two 2s lipos wired in series as a single 4s lipo?

Or if you are in a hurry just. Hey guys, today i got a hk order and in it was a 2200 3s lipo pack but unfortunately one of the cells were completely dead. Insulating foil between the cells prevents the conductive metallic. The wire length was properly. The lvc detects the voltage of the battery, and divides that voltage by the cell count of the battery. Sure the cells have to balance, but using two identical. I want to take the 2 remaining cells and make it into a 2s for my car. Below is a picture of a completed 2s + 2s balancer/charging y adaptor created with the using main leads option. When charging batteries one by one, you have to repeatedly unplug a battery and what is the problem with, say, treating two 2s lipos wired in series as a single 4s lipo? Info video and relation battery pack using lithium 18650 00:00 diagram circuit 7.4v dc battery pack 00:09 wires pcb lithium. As shown in the following diagram, the proposed lipo battery balance charger circuit can be implemented rather effortlessly using a couple of the second diagram below is the relay driver stage which needs to be repeated 10 times and the base of the bc557 associated with the red spots of the. So it would see a fully charged 2s lipo as 8.4v, or 4.2v per. How to make battery charger circuit using silicon controlled rectifier (scr).

Insulating foil between the cells prevents the conductive metallic. Lipo batteries are fully charged when they reach 4.2v/cell, and their minimum safe charge, as we will discuss in detail later, is 3.0v/cell. Below is a picture of a completed 2s + 2s balancer/charging y adaptor created with the using main leads option. How to make battery charger circuit using silicon controlled rectifier (scr). Lipo battery balance plug replacement how to solder a balance lead connector on a lipo battery will be demonstrated.

Why Don T Some 2s Lipo Packs Include A Balancing Connector Electrical Engineering Stack Exchange
Why Don T Some 2s Lipo Packs Include A Balancing Connector Electrical Engineering Stack Exchange from i.stack.imgur.com
I want to take the 2 remaining cells and make it into a 2s for my car. This page contains a couple diagrams in an attempt to explain how lithium polymer batteries are used when made into packs. Lipo batteries are fully charged when they reach 4.2v/cell, and their minimum safe charge, as we will discuss in detail later, is 3.0v/cell. The lvc detects the voltage of the battery, and divides that voltage by the cell count of the battery. Info video and relation battery pack using lithium 18650 00:00 diagram circuit 7.4v dc battery pack 00:09 wires pcb lithium. Or if you are in a hurry just. Drill bit (1mm) and drill machine. Hey guys, today i got a hk order and in it was a 2200 3s lipo pack but unfortunately one of the cells were completely dead.

Lipo battery balance plug replacement how to solder a balance lead connector on a lipo battery will be demonstrated.

Or if you are in a hurry just. Модуль защиты bms 2s 20a. I want to take the 2 remaining cells and make it into a 2s for my car. Info video and relation battery pack using lithium 18650 00:00 diagram circuit 7.4v dc battery pack 00:09 wires pcb lithium. Lipo batteries are fully charged when they reach 4.2v/cell, and their minimum safe charge, as we will discuss in detail later, is 3.0v/cell. How to make battery charger circuit using silicon controlled rectifier (scr). So it would see a fully charged 2s lipo as 8.4v, or 4.2v per. Insulating foil between the cells prevents the conductive metallic. Info video and relation battery pack using lithium 18650 00:00 diagram circuit 7.4v dc battery pack 00:09 wires pcb lithium. Sure the cells have to balance, but using two identical. Hey guys, today i got a hk order and in it was a 2200 3s lipo pack but unfortunately one of the cells were completely dead. Below is a picture of a completed 2s + 2s balancer/charging y adaptor created with the using main leads option. The batteries are connected in parallel, hence the name parallel charging.

Iklan Atas Artikel

Iklan Tengah Artikel 1

Iklan Tengah Artikel 2

Iklan Bawah Artikel