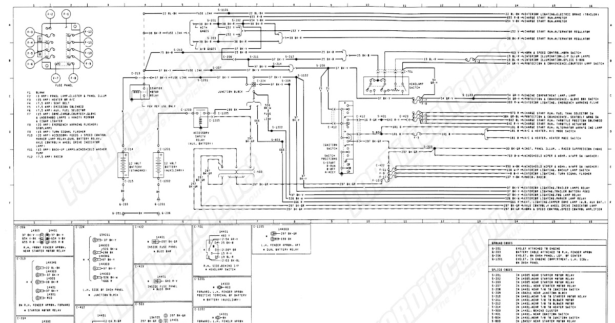
1977 Ford F250 Alternator Wiring : 1974 Ford F100 Alternator Wiring Diagram - Wiring Diagram and Schematic Role / Nothing connected to ''sta'' on alternator.

1977 Ford F250 Alternator Wiring : 1974 Ford F100 Alternator Wiring Diagram - Wiring Diagram and Schematic Role / Nothing connected to ''sta'' on alternator.. 1977 ford f250 starter solenoid wiring diagram. Most of the wiring diagrams posted on this page are scans of original ford diagrams, not aftermarket reproductions. Ford f250 super duty alternators operate by converting kinetic energy generated in the engine into electrical energy, which is then stored in the batteries in the car. An inadequate ford f250 alternator will cause your battery to go dead much more quickly. The person making the swap tinned the leads on the.

1956 ford f truck wiring diagram. Find this pin and more on alternator by bill langton. Ford truck wire color and gauge chart. Carefully manufactured and thoroughly tested, they will cater to all your needs and offer the highest. From alternator ''fld'' to 1st position on voltage regulator 3.

F250 Ignition Wiring Diagrams For 1977 | schematic and wiring diagram
F250 Ignition Wiring Diagrams For 1977 | schematic and wiring diagram from i.pinimg.com
Let me know if you or anyone you know is interested washington. Nothing connected to ''sta'' on alternator. 1956 ford f truck wiring diagram. Basically, there are a few components to be recognized when you disassemble an alternator from your engine bay. My truck is a 1977 ford f250. It's a good alternator at a reasonable price. Ford 4.6l & 5.4l engines alternator replacement. I have a 1972 ford f100 w/302 engine.

Ford f250 super duty alternators operate by converting kinetic energy generated in the engine into electrical energy, which is then stored in the batteries in the car.

A modern electrical system has a voltage. It's a good alternator at a reasonable price. I have a 1972 ford f100 w/302 engine. Most of the wiring diagrams posted on this page are scans of original ford diagrams, not aftermarket reproductions. I installed a 150amp fuse between the alt and the solenoid on the side of the engine bay using about 4ft of new wire, i spliced in. It has been completely disassembled and rebuilt. 1979 ford f150 there are 3 wires for the alternator one is black with red stripe one is red and the other is white which one goes where? that wire which goes to the positive terminal of the battery is there to transfer electrical power to the battery, not from it. An inadequate ford f250 alternator will cause your battery to go dead much more quickly. The person making the swap tinned the leads on the. With the addition of stereos, lighting, electric winches, and other electronics that consume a lot of voltage the 1997 f250 5.4 v8 alternator works on a 1991 4.0 stx 4x4. From alternator ''fld'' to 1st position on voltage regulator 3. Ford f250 super duty alternators operate by converting kinetic energy generated in the engine into electrical energy, which is then stored in the batteries in the car. Find aftermarket and oem parts online or at a local store near you.

I installed a 150amp fuse between the alt and the solenoid on the side of the engine bay using about 4ft of new wire, i spliced in. As we looked for the cause of the issue we thought we found the smoking gun more than once, with loose wires, poor grounding, and household wire nuts added at some point in the truck's life. An inadequate ford f250 alternator will cause your battery to go dead much more quickly. I have a '77 f250 and am having trouble with getting the alternator to charge. I have a 1972 ford f100 w/302 engine.

1977 Ford Truck F250 3/4 ton P/U 4WD 6.6L 2BL OHV 8cyl | Repair Guides | Engine Electrical ...
1977 Ford Truck F250 3/4 ton P/U 4WD 6.6L 2BL OHV 8cyl | Repair Guides | Engine Electrical ... from repairguide.autozone.com
It has been completely disassembled and rebuilt. I installed a 150amp fuse between the alt and the solenoid on the side of the engine bay using about 4ft of new wire, i spliced in. Currently it is wired like this: Select your make and model in the red title bar above so we can show the parts you need. Let me know if you or anyone you know is interested washington. Whenever the alternator dies, the motor will operate but no electrical power will be generated. This account has been suspended. With a simple, secure transaction.

I reused the connector, upgraded the battery wire to 2 gauge, i used auto parts store 6ft 2ga battery cable for like $9.

As we looked for the cause of the issue we thought we found the smoking gun more than once, with loose wires, poor grounding, and household wire nuts added at some point in the truck's life. Most of the wiring diagrams posted on this page are scans of original ford diagrams, not aftermarket reproductions. Ford 4.6l & 5.4l engines alternator replacement. I installed a 150amp fuse between the alt and the solenoid on the side of the engine bay using about 4ft of new wire, i spliced in. It shows how a electrical wires are interconnected and will also show where fixtures and componen. Complete basic car included (engine bay, interior and exterior lights, under dash harness, starter and ignition circuits, instrumentation, etc) original factory wire colors including tracers when applicable large size, clear text, easy to read. Only original equipment type cores are used in the rebuilding. Carefully manufactured and thoroughly tested, they will cater to all your needs and offer the highest. The image above is an alternator from a 2002 ford ranger. My truck is a 1977 ford f250. Find this pin and more on alternator by bill langton. Ford truck wire color and gauge chart. Selling my 1977 ford f250 custom.

A modern electrical system has a voltage. 1979 ford f150 there are 3 wires for the alternator one is black with red stripe one is red and the other is white which one goes where? that wire which goes to the positive terminal of the battery is there to transfer electrical power to the battery, not from it. Ford f250 super duty alternators operate by converting kinetic energy generated in the engine into electrical energy, which is then stored in the batteries in the car. Select your make and model in the red title bar above so we can show the parts you need. 1956 ford f truck wiring diagram.

1975 Ford F 250 Alternator Wiring - biokonyha
1975 Ford F 250 Alternator Wiring - biokonyha from www.2carpros.com
Only original equipment type cores are used in the rebuilding. From alternator ''bat'' to battery side of start solenoid 2. A modern electrical system has a voltage. I reused the connector, upgraded the battery wire to 2 gauge, i used auto parts store 6ft 2ga battery cable for like $9. Selling my 1977 ford f250 custom. I have a '77 f250 and am having trouble with getting the alternator to charge. I have a 1972 ford f100 w/302 engine. Basically, there are a few components to be recognized when you disassemble an alternator from your engine bay.

Ford f250 super duty alternators operate by converting kinetic energy generated in the engine into electrical energy, which is then stored in the batteries in the car.

Ford odometer blinking, on, off, on, off, on, off.with selector wire!! From alternator ''fld'' to 1st position on voltage regulator 3. 1977 ford f 150 solenoid wiring diagram. It's a good alternator at a reasonable price. Selling my 1977 ford f250 custom. 1977 ford f250 starter solenoid wiring diagram. As we looked for the cause of the issue we thought we found the smoking gun more than once, with loose wires, poor grounding, and household wire nuts added at some point in the truck's life. I installed a 150amp fuse between the alt and the solenoid on the side of the engine bay using about 4ft of new wire, i spliced in. Whenever the alternator dies, the motor will operate but no electrical power will be generated. It shows how a electrical wires are interconnected and will also show where fixtures and componen. I reused the connector, upgraded the battery wire to 2 gauge, i used auto parts store 6ft 2ga battery cable for like $9. I have a '77 f250 and am having trouble with getting the alternator to charge. Select your make and model in the red title bar above so we can show the parts you need.

Iklan Atas Artikel

Iklan Tengah Artikel 1

Iklan Tengah Artikel 2

Iklan Bawah Artikel