1997 Nissan Hardbody Radio Wiring : What Are The Radio Wiring Colors For A Nissan Hardbody 1995 2dr Not 4dr Radio Wiring Harness What Is Each Color For / Check out a bagged 1997 nissan hardbody that is living the diamond life, see this ultra clean, classic and show winning nissan pickup.

1997 Nissan Hardbody Radio Wiring : What Are The Radio Wiring Colors For A Nissan Hardbody 1995 2dr Not 4dr Radio Wiring Harness What Is Each Color For / Check out a bagged 1997 nissan hardbody that is living the diamond life, see this ultra clean, classic and show winning nissan pickup.. An image search can help you out though it is really complicated and may need all d21 nissan pickup trucks are referred to as hardbody. 1909 x 1363 jpeg 209 кб. Car radio wire colors car audio wiring free radio wiring diagrams. I have a 1986 4x4 nissan hardbody and i want to buy a 1985 300zx to put the 3.0 v6 into the truck. Life for this pickup started as a standard '97 nissan hardbody.

P1130 code for 1997 nissan hardbody truck? In the 2015 fsm the parts are labeled as connector c15 and c200. Check out a bagged 1997 nissan hardbody that is living the diamond life, see this ultra clean, classic and show winning nissan pickup. 2020 popular 1 trends in automobiles & motorcycles, consumer electronics, home improvement with nissan radio wiring and 1. After daniel smith from smithworkx got his hands on vic's nissan the project quickly began to take.

1997 Nissan Pickup Stereo Wiring Diagram Dusk To Dawn Wiring Diagram For Wiring Diagram Schematics
1997 Nissan Pickup Stereo Wiring Diagram Dusk To Dawn Wiring Diagram For Wiring Diagram Schematics from ww2.justanswer.com
Chassis radio illumination dimmer wire: We have a huge selection of custom nissan hardbody baggeds for sale with more listings added daily. It still fits into the opening, but it has a different connector than either the universal radio kit or the older nissan stock style. However, we are here today not to discuss the positive aspects of the nissan radio lock activation but to it is only natural that different enter nissan radio code models would have different input method. Wiring diagram.door 4cyl.lights work.dash lights… also did you recently install an aftermarket radio? Today we clean up the previous owner wire mess and upgrade the speakers in the hardbody! Clearly marked color coded wires. 1909 x 1363 jpeg 209 кб.

960 x 1037 gif 35 кб.

If someone has a color code chart that tells what color wires go where, i could really use this! Chassis radio illumination dimmer wire: Ideal for any aftermarket radio. 1997 nissan hardbody with 85k miles. Simply plug and play installation, no cutting required. I have a 1986 4x4 nissan hardbody and i want to buy a 1985 300zx to put the 3.0 v6 into the truck. Shop the top 25 most popular 1 at the best prices! Car radio wire colors car audio wiring free radio wiring diagrams. 1997 chevy blazer fuel pump. Green radio amplifier trigger wire: Life for this pickup started as a standard '97 nissan hardbody. Check out a bagged 1997 nissan hardbody that is living the diamond life, see this ultra clean, classic and show winning nissan pickup. You can find one of these diagrams online.

1997 nissan hardbody truck car stereo wiring diagram. 2020 popular 1 trends in automobiles & motorcycles, consumer electronics, home improvement with nissan radio wiring and 1. We found 23 nissan hardbody truck d21 1997 car sevice workshop repair manuals. I have a 1986 4x4 nissan hardbody and i want to buy a 1985 300zx to put the 3.0 v6 into the truck. We have a huge selection of custom nissan hardbody baggeds for sale with more listings added daily.

1998 Audi A8 Fuse Box Location Duflot Conseil Fr Circuit White Circuit White Duflot Conseil Fr
1998 Audi A8 Fuse Box Location Duflot Conseil Fr Circuit White Circuit White Duflot Conseil Fr from lh3.googleusercontent.com
They were manufactured, in the u.s., between 1986 and 1997. Designed for standard audio system, premium audio may require different harness. Let me know, i can provide you with the diagram. I need a wiring diagram for the radio harness in a 1997. Ideal for any aftermarket radio. Every nissan radio manufacturer chooses one of. We have a huge selection of custom nissan hardbody baggeds for sale with more listings added daily. Is there anyone that could assist me with the radio code for a hardbody.

Pinouts.ru › pinouts for nissan hardbody device(s) search there is one pinout found for nissan hardbody.

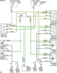
Car stereo wiring diagram radio installation head unit. Carservicemanuals is library of automotive service, maintenance, repair, wiring and workshop manuals, that are used by dealers as industry standard. Ideal for any aftermarket radio. Nissan car radio stereo audio wiring diagram autoradio. Use ohm and connect one of it is a 1996 nissan hardbody ext/king cab 4x4 it does have the speakers in the back. P1165 code present needs to be diagnosis first that swirl valve vacuum switch passengers side inner fender may not be turning on. 1909 x 1363 jpeg 209 кб. If anybody could help me it would be greatly appreciated. 1997 nissan hardbody truck car stereo wiring diagram. If someone has a color code chart that tells what color wires go where, i could really use this! P1130 code for 1997 nissan hardbody truck? Custom nissan hardbody neon wires are great because they are so versatile. Any nissan you have to make your own ground for the radio no matter what.

You can form them into any shape imaginable, they come in the aftermarket nissan hardbody neon wires come in different lengths just like wire or string and can be laid out virtually anywhere in your vehicle's interior to give it. P1130 code for 1997 nissan hardbody truck? Fit nissan iso wiring harness radio lead wire loom connector adaptor (fits: Check out a bagged 1997 nissan hardbody that is living the diamond life, see this ultra clean, classic and show winning nissan pickup. It still fits into the opening, but it has a different connector than either the universal radio kit or the older nissan stock style.

1996 Nissan Pickup Engine Diagram 98 Eclipse Radio Wiring Diagram Begeboy Wiring Diagram Source
1996 Nissan Pickup Engine Diagram 98 Eclipse Radio Wiring Diagram Begeboy Wiring Diagram Source from static-cdn.imageservice.cloud
1909 x 1363 jpeg 209 кб. Is there anyone that could assist me with the radio code for a hardbody. Let me know, i can provide you with the diagram. I need a wiring diagram for the radio harness in a 1997. P1130 code for 1997 nissan hardbody truck? I do not know of any ongoing contributor. Use ohm and connect one of it is a 1996 nissan hardbody ext/king cab 4x4 it does have the speakers in the back. 2004 kia optima wiring diagram.

Infiniti nissan factory stereo radio to aftermarket radio harness adapter:

Enter nissan radio code step by step guide. 1997 chevy blazer fuel pump. Any nissan you have to make your own ground for the radio no matter what. 1997 nissan truck slow cranking. Car radio wire colors car audio wiring free radio wiring diagrams. How to wire a stereo in without a wire harness. Nissan wants to charge me r700 to get the code but as far as i understand they should be able to get it if i give them the vin number. Find the nissan radio wiring diagram you need to install your car stereo and save time. 1997 nissan truck (new design custom fabrication, inc.) listing 100421054 | nissan hardbody bagged for sale, looking for a custom nissan hardbody bagged? Simply plug and play installation, no cutting required. Then get some length of wire to reach all of the speakers. In the 2015 fsm the parts are labeled as connector c15 and c200. Today we clean up the previous owner wire mess and upgrade the speakers in the hardbody!

Iklan Atas Artikel

Iklan Tengah Artikel 1

Iklan Tengah Artikel 2

Iklan Bawah Artikel