Wiring Schematic For Toyotum Corolla - 99 Toyota Corolla Wiring Diagram Fisher Model 3751fs Wiring Diagram Oonboard Yenpancane Jeanjaures37 Fr - This video demonstrates the toyota corolla matrix's complete wiring diagrams and details of the wiring harness.

Wiring Schematic For Toyotum Corolla - 99 Toyota Corolla Wiring Diagram Fisher Model 3751fs Wiring Diagram Oonboard Yenpancane Jeanjaures37 Fr - This video demonstrates the toyota corolla matrix's complete wiring diagrams and details of the wiring harness.. Page 1.overall electrical wiring diagram.e2003 all rights reserved. This book may not be reproduced or copied, in whole or in part, without the written permission of toyota motor corporation. Use of the toyota corolla wiring information is at your own risk. This video demonstrates the toyota corolla matrix's complete wiring diagrams and details of the wiring harness. Получить доступ ко всем схемам автомобиля.

Automotive wiring diagram electrical wiring diagrams diy wiring diagram basic wire diagram wiring & installation diagrams full wiring diagram circuit wiring diagram free wiring we hope this could help and gives an easy solution to your wiring diagram for toyota corolla. 2004 toyota corolla delivery bulletin february 18, 2005 chastisement pages are available for the couple publications. In 2006, the name corolla turned 40, during which ten generations of these affordable and reliable cars were replaced, and the total volume of the transfer exceeded 32 million. Page 1.overall electrical wiring diagram.e2003 all rights reserved. How will the circuit be affected if there were an open at point z.

1983 Toyota Corolla Electrical Wiring Diagram Manual Us Canada
1983 Toyota Corolla Electrical Wiring Diagram Manual Us Canada from www.autopaper.com
Free download toyota corolla repair and maintenance manual. Download toyota corolla electrical schematic on autorepmans Toyora corolla wiring diagram 1998. 2009 2010 toyota corolla service repair manual download. Toyota sprinter pdf workshop and repair manuals, wiring diagrams. Получить доступ ко всем схемам автомобиля. If you can't find a particular car audio wire diagram on modified life, please feel free to post a car radio wiring diagram request at the bottom of this page and we'll do our best to find you the diagram or schematic you need for your. Some toyota corolla wiring diagrams are above the page.

In 2006, the name corolla turned 40, during which ten generations of these affordable and reliable cars were replaced, and the total volume of the transfer exceeded 32 million.

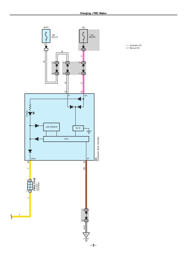
These manuals are used in the inspection and repair of electrical circuits. A wiring diagram is a streamlined traditional pictorial representation of an electric circuit. The sections included in each volume are indicated by black. Toyota corolla nze121 electrical schematic diagram pdf. This book may not be reproduced or copied, in whole or in part, without the written permission of toyota motor corporation. There are four volumes to this manual. Covers all 2000 toyota corolla models including ve, ce, and le. Toyota corolla 1.6 ecu wiring. 2009 2010 toyota corolla service repair manual download. Получить доступ ко всем схемам автомобиля. In 2006, the name corolla turned 40, during which ten generations of these affordable and reliable cars were replaced, and the total volume of the transfer exceeded 32 million. Use of the toyota corolla wiring information is at your own risk. Toyota corolla electrical wiring diagram model ~ toyota corolla electrical wiring diagram 2004 model written for toyota dealership mechanics, this.

Download toyota corolla electrical schematic on autorepmans Use of the toyota corolla wiring information is at your own risk. Toyota sprinter pdf workshop and repair manuals, wiring diagrams. Toyota corolla repair & owners manuals. Covers all 2000 toyota corolla models including ve, ce, and le.

1995 Toyota Corolla Wiring Diagram Manual Original
1995 Toyota Corolla Wiring Diagram Manual Original from cfd84b34cf9dfc880d71-bd309e0dbcabe608601fc9c9c352796e.ssl.cf1.rackcdn.com
In 2006, the name corolla turned 40, during which ten generations of these affordable and reliable cars were replaced, and the total volume of the transfer exceeded 32 million. Toyota corolla nze121 electrical schematic diagram pdf. 2004 toyota corolla electrical wiring diagram abbreviations. This book may not be reproduced or copied, in whole or in part, without the written permission of toyota motor corporation. Toyota sprinter pdf workshop and repair manuals, wiring diagrams. All about wiring diagram, electrical circuit, wire harness and schematic diagram for automotive, 2007 toyota rav4 front wiper and washer. Each circuit displays a distinctive voltage condition. Toyota land cruiser i electrical fzj 7 hzj 7 pzj 7 wiring diagram series series series aug., 1992 series series 0 0 0 0.

In 2006, the name corolla turned 40, during which ten generations of these affordable and reliable cars were replaced, and the total volume of the transfer exceeded 32 million.

Download toyota corolla electrical schematic on autorepmans Each circuit displays a distinctive voltage condition. If you can't find a particular car audio wire diagram on modified life, please feel free to post a car radio wiring diagram request at the bottom of this page and we'll do our best to find you the diagram or schematic you need for your. The wiring diagram on the opposite hand is particularly beneficial to an outside electrician. Toyota corolla is a compact class car manufactured by toyota since 1966. A very first check out a circuit representation might be confusing, but if you can review a metro map, you can check out schematics. These manuals are used in the inspection and repair of electrical circuits. All model toyotas engine wiring diagrams. Automotive wiring diagram electrical wiring diagrams diy wiring diagram basic wire diagram wiring & installation diagrams full wiring diagram circuit wiring diagram free wiring we hope this could help and gives an easy solution to your wiring diagram for toyota corolla. Получить доступ ко всем схемам автомобиля. Page 1.overall electrical wiring diagram.e2003 all rights reserved. This video demonstrates the toyota corolla matrix's complete wiring diagrams and details of the wiring harness. How will the circuit be affected if there were an open at point z.

The wiring diagram on the opposite hand is particularly beneficial to an outside electrician. All model toyotas engine wiring diagrams. Automotive wiring diagram electrical wiring diagrams diy wiring diagram basic wire diagram wiring & installation diagrams full wiring diagram circuit wiring diagram free wiring we hope this could help and gives an easy solution to your wiring diagram for toyota corolla. The circuit needs to be checked with a volt tester whatsoever points. A wiring diagram is a streamlined traditional pictorial representation of an electric circuit.

Toyota Corolla 2014 2019 Electrical Wiring Diagram Auto Repair Manual Forum Heavy Equipment Forums Download Repair Workshop Manual
Toyota Corolla 2014 2019 Electrical Wiring Diagram Auto Repair Manual Forum Heavy Equipment Forums Download Repair Workshop Manual from img.autorepairmanuals.ws
Toyota corolla electrical wiring diagram model ~ toyota corolla electrical wiring diagram 2004 model written for toyota dealership mechanics, this. Page 1.overall electrical wiring diagram.e2003 all rights reserved. This video demonstrates the toyota corolla matrix's complete wiring diagrams and details of the wiring harness. Download toyota corolla electrical schematic on autorepmans Toyota land cruiser i electrical fzj 7 hzj 7 pzj 7 wiring diagram series series series aug., 1992 series series 0 0 0 0. Forced entry wiring diagram, nummi made without smart key system (1 of 2) for toyota corolla 2010. All about wiring diagram, electrical circuit, wire harness and schematic diagram for automotive, 2007 toyota rav4 front wiper and washer. This book may not be reproduced or copied, in whole or in part, without the written permission of toyota motor corporation.

Toyota corolla 1.6 ecu wiring.

Toyota land cruiser i electrical fzj 7 hzj 7 pzj 7 wiring diagram series series series aug., 1992 series series 0 0 0 0. Each circuit displays a distinctive voltage condition. A very first check out a circuit representation might be confusing, but if you can review a metro map, you can check out schematics. These manuals are used in the inspection and repair of electrical circuits. In 2006, the name corolla turned 40, during which ten generations of these affordable and reliable cars were replaced, and the total volume of the transfer exceeded 32 million. Page 1.overall electrical wiring diagram.e2003 all rights reserved. 2000 solara fuse box free download wiring diagram schematic auto. Free download toyota corolla repair and maintenance manual. Toyota corolla electrical wiring diagram model ~ toyota corolla electrical wiring diagram 2004 model written for toyota dealership mechanics, this. Toyota corolla 1.6 ecu wiring. All model toyotas engine wiring diagrams. Doctor drill and wiring draw: View and download toyota corolla2004 electrical wiring diagram online.

Iklan Atas Artikel

Iklan Tengah Artikel 1

Iklan Tengah Artikel 2

Iklan Bawah Artikel