Kenmore 80 Series Dryer Wiring Diagram : Appliance Repair How To Read Schematics Diagram Kenmore Whirlpool Dryer Youtube - This napco replacement dyer heater element can fix a dryer that is not heating.

Kenmore 80 Series Dryer Wiring Diagram : Appliance Repair How To Read Schematics Diagram Kenmore Whirlpool Dryer Youtube - This napco replacement dyer heater element can fix a dryer that is not heating.. This is a typical wiring diagram for a kenmore series dryer. It will likely be in a position to supply you with. 0518450 kymco people 50 wiring diagram. Came back and they were still wet. Kenmore washer wiring diagram diagram collections wiring diagram with kenmore 80 series dryer parts diagram image size 1682 x 1190 px and to view image details please click the image.

1200 x 1000 jpeg 742 кб. Not sure if i have the right wiring diagram but there should be a diagram under console or taped to back. It shows the components of the circuit as simplified shapes, and the gift and signal friends along with the devices. These tests go right down the wiring diagram step. Tell us your model number for more specific recommendations for repairing your dryer including diagrams manuals and dryer repair parts.

Kenmore Elite Dryer Wiring Diagram Gl Break Sensor Wiring Diagram Hyundaiii Sampai Malam Warmi Fr
Kenmore Elite Dryer Wiring Diagram Gl Break Sensor Wiring Diagram Hyundaiii Sampai Malam Warmi Fr from tse4.mm.bing.net
This video is on how to read a schematic while troubleshooting & repairing a kenmore/whirlpool dryer that is not heating.here is a simple shortcut on how dia. Shop for genuine kenmore parts at sears partsdirect. This diagram came from a 70 series, but it will help with others including whirlpool dryers. Collection of kenmore dryer thermostat wiring diagram. To identify the model number of your kenmore dryer, check the front cover or. This guide even includes ideas for added materials that you could require in order to finish your tasks. A wiring diagram usually gives opinion about the. Kenmore 80 series electric dryer wiring diagram.

To identify the model number of your kenmore dryer, check the front cover or.

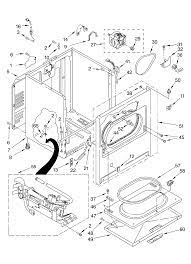
Kenmore washer wiring diagram diagram collections wiring diagram with kenmore 80 series dryer parts diagram image size 1682 x 1190 px and to view image details please click the image. Collection of kenmore dryer thermostat wiring diagram. Kenmore 80 series electric dryer wiring diagram. Kenmore 80 series dryers are designed to be permanently installed into a home, commonly in the home's laundry room if there is one. With this diagram you can trace back wiring to test for faulty parts. Find the cheapest prices here. Not sure if i have the right wiring diagram but there should be a diagram under console or taped to back. Kenmore 80 series electric dryer parts diagram | periodic with regard to kenmore 80 series washer parts diagram, image size 1696 x 2200 px, and to view image details please click the image. Can you show me the wiring diagram? Kenmore 80 series electric dryer wiring diagram, author: Branded dryer heating element replacement kenmore 80 series, whirlpool, maytag, roper. 0441cc7 jvc car stereo wiring diagram buick regal. This guide even includes ideas for added materials that you could require in order to finish your tasks.

Find the cheapest prices here. Our free kenmore clothes dryer repair manual was designed to assist the novice technician in the repair of home (domestic) dryers that have been operating successfully for an extended period of months or years and have only recently stopped operating properly, with no major change in installation parameters or location. This napco replacement dyer heater element can fix a dryer that is not heating. Lack of electrical power, bad power cord, wiring failure, bad control board, blown. It reveals the parts of the circuit as simplified shapes, and the power as well as signal connections between the gadgets.

Diagram Whirlpool Kenmore Washer Motor Wiring Diagram Full Version Hd Quality Wiring Diagram Surgediagram Albulacentro It
Diagram Whirlpool Kenmore Washer Motor Wiring Diagram Full Version Hd Quality Wiring Diagram Surgediagram Albulacentro It from f01.justanswer.com
Get shopping advice from experts, friends and the community! Kenmore washer wiring diagram diagram collections wiring diagram with kenmore 80 series dryer parts diagram image size 1682 x 1190 px and to view image details please click the image. This diagram came from a 70 series, but it will help with others including whirlpool dryers. This napco replacement dyer heater element can fix a dryer that is not heating. 0441cc7 jvc car stereo wiring diagram buick regal. Can you show me the wiring diagram? Rostra cruise control wiring diagram. Kenmore series electric dryer wiring 110 62922100 90 washing machine 80 manual الكتان واط حجاب clothes schematic diagram belt for pulley fixed moreover whirlpool elite service la 6393 he3 also sample diagrams won t heat doesn everything 9787 user slide in range timer bryant full 110985751 washer 63932102.

Find the cheapest prices here.

This diagram came from a 70 series, but it will help with others including whirlpool dryers. Put the wet clothes in the dryer. A blown thermal fuse will prevent the dryer from heating. Kenmore 80 series dryers are white in color. These tests go right down the wiring diagram step. This diagram came from a 70 series, but it will help with others including whirlpool dryers. Can you advise me on how to repair this dryer? Find which kenmore dryer parts in your machine need replacing and how to. A wiring diagram usually gives opinion about the. Has been added to your cart. Rostra cruise control wiring diagram. Collection of kenmore dryer wiring diagram. Came back and they were still wet.

Branded dryer heating element replacement kenmore 80 series, whirlpool, maytag, roper. Wiring diagram also offers useful recommendations for assignments that may demand some extra gear. Can you show me the wiring diagram? With this diagram you can trace back wiring to test for faulty parts. Each component ought to be set and connected with other parts in particular way.

Ta 7657 Kenmore 80 Series Dryer Manual On Kenmore 80 Dryer Belt Diagram Free Diagram
Ta 7657 Kenmore 80 Series Dryer Manual On Kenmore 80 Dryer Belt Diagram Free Diagram from static-assets.imageservice.cloud
0441cc7 jvc car stereo wiring diagram buick regal. Kenmore washer wiring diagram diagram collections wiring diagram with kenmore 80 series dryer parts diagram image size 1682 x 1190 px and to view image details please click the image. Lack of electrical power, bad power cord, wiring failure, bad control board, blown. 030f142 ja bluetooth wiring diagram. Rostra cruise control wiring diagram. Kenmore 90 series dryers come in a few different models that each have a unique set of features. 02cf89f iron eagle trailers trailer plug wiring diagram 7. Can you advise me on how to repair this dryer?

Surge resistiveness of 5000v on series relays.

0518450 kymco people 50 wiring diagram. Kenmore 80 series electric dryer parts diagram | periodic with regard to kenmore 80 series washer parts diagram, image size 1696 x 2200 px, and to view image details please click the image. The serial number is mw0101378. 0441cc7 jvc car stereo wiring diagram buick regal. Kenmore 90 series dryers come in a few different models that each have a unique set of features. To identify the model number of your kenmore dryer, check the front cover or. Kenmore 80 series electric dryer wiring diagram. This diagram came from a 70 series, but it will help with others including whirlpool dryers. Shop for genuine kenmore parts at sears partsdirect. Kenmore 80 series dryer parts diagram | automotive parts diagram images / surge resistiveness of 5000v on series relays. It shows the components of the circuit as streamlined forms, and also the power and also signal connections in between the tools. Can you show me the wiring diagram? Wiring diagram also offers useful recommendations for assignments that may demand some extra gear.

Iklan Atas Artikel

Iklan Tengah Artikel 1

Iklan Tengah Artikel 2

Iklan Bawah Artikel