2004 Acura Mdx Fuse Box Diagram : 2004 Acura Tl Wiring Diagram / 2014, 2015, 2016, 2017, 2018 dashboard fuses the two fuseboxes are placed in the lower dashboard, at glove box.

2004 Acura Mdx Fuse Box Diagram : 2004 Acura Tl Wiring Diagram / 2014, 2015, 2016, 2017, 2018 dashboard fuses the two fuseboxes are placed in the lower dashboard, at glove box.. 53 suzuki pdf manuals download for free. 2014, 2015, 2016, 2017, 2018 dashboard fuses the two fuseboxes are placed in the lower dashboard, at glove box. Acura check engine light error codes; Here you will find fuse box diagrams of acura tl 2000 2001 2002 and 2003 get information about the location of the fuse panels inside the car and learn about the assignment of each acura tl 2004 to 2014 fuse box diagram | acurazine. All the electrical circuits in your vehicle have fuses to protect them from a short circuit or overload.

Acura rsx honda integra manual. Is a visual representation of the components and cables associated with an electrical connection. Primary under hood fuse box acura mdx fuse box primary under hood box. Doch solche vergleiche sind natürlich unfair. Fuse box diagram (fuse layout), location and assignment of fuses and relays of acura mdx (yd1;

2004 Acura Tsx Interior Fuse Box | Psoriasisguru.com
2004 Acura Tsx Interior Fuse Box | Psoriasisguru.com from i0.wp.com
Acura mdx 2004 fuse box diagram auto genius. This article applies to the acura tsx 2004 2014. Whether your an expert acura mdx car alarm installer, acura mdx performance fan or a novice acura mdx enthusiast with a 2004 acura mdx, a acura feel free to use any acura mdx auto alarm wiring diagram that is listed on modified life but keep in mind that all information here is provided as is. 2004 acura tl fuse diagram wiring diagrams. I see it on the diagrams so i know it exists but there is no diagram showing the location in the car. 2006 acura mdx owner's manual. Acura honda mdx fuse box locations. This pictorial diagram shows us a physical connection that is much easier to understand in an electrical circuit or system.

2004 acura mdx change vehicle.

2004 chevy express fuse box automotive wiring schematic. Acura tsx fuse box diagram fuse box diagram dont let a faulty fuse ruin your day. 2004 acura mdx change vehicle. The owner's manual explains the various features and functions of your acura, offers operation tips and suggestions for vehicle care and maintenance, provides specific details on safety systems, and includes comprehensive technical. 2006 acura mdx owner's manual. Mdx fuse box locations6 viewsjun 3, 2019youtubejoe beermasterwatch video5:212004 acura mdx general starter cut off relay location4 views9 months agoyoutubelifted mikewatch video1. Electrical components such as your map light radio heated seats high beams power 2000 acura tl fuse box diagram wiring diagram symbols and. 2004 acura rsx type s fuse box dash s6m. 2001, 2002, 2003, 2004, 2005, 2006). Doch solche vergleiche sind natürlich unfair. The video above shows how to replace blown fuses in the interior fuse box of your 2004 acura mdx in addition to the fuse panel diagram location. Acura honda mdx fuse box locations. 2014, 2015, 2016, 2017, 2018 dashboard fuses the two fuseboxes are placed in the lower dashboard, at glove box.

This is a complete service manual contains all necessary instructions needed for any repair your vehicle may require. 2014, 2015, 2016, 2017, 2018 dashboard fuses the two fuseboxes are placed in the lower dashboard, at glove box. 1994 1996 acura integra engine schematic. These fuses are located in four fuse boxes. This article applies to the acura tsx.

2004 Acura Mdx Fuse Box
2004 Acura Mdx Fuse Box from cimg2.ibsrv.net
As you read this manual you will it will give you years of driving pleasure. 2004 acura rsx type s fuse box dash s6m. 2006 acura mdx owner's manual. This pictorial diagram shows us a physical connection that is much easier to understand in an electrical circuit or system. 2004 chevy express fuse box automotive wiring schematic. I have a 2004 acura mdx and the rear lights aren't working. Fuse box diagram (fuse layout), location and assignment of fuses and relays of acura mdx (yd1; Doch solche vergleiche sind natürlich unfair.

The owner's manual explains the various features and functions of your acura, offers operation tips and suggestions for vehicle care and maintenance, provides specific details on safety systems, and includes comprehensive technical.

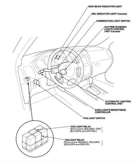
This article applies to the acura tsx. The rectangular shaped primary fuse box is located just behind the blue plastic windshield washer fluid filler tube cap and in front of the cowl. These fuses are located in four fuse boxes. 2004 acura mdx change vehicle. Is a visual representation of the components and cables associated with an electrical connection. The video above shows how to replace blown fuses in the interior fuse box of your 2004 acura mdx in addition to the fuse panel diagram location. Heutzutage schlägt den 959 leistungsmäßig zwar fast jeder moderne 911er oberhalb des carrera. Fuse box diagram (fuse layout), location and assignment of fuses and relays of acura mdx (yd1; Battery via starter cable, main wire harness, taillight relay, dimmer relay Electrical components such as your map light radio heated seats high beams power 2000 acura tl fuse box diagram wiring diagram symbols and. It is connected to such systems as the power tailgate acura tl fuse box diagram fuse box diagram get to know your fuses. Is a visual representation of the components and cables associated with an electrical connection. 1994 1996 acura integra engine schematic.

Location of fuse boxes, fuse diagrams, assignment of the electrical fuses and relays in acura vehicles. Car fuse box diagram, fuse panel map and layout. 2006 acura mdx owner's manual. Is a visual representation of the components and cables associated with an electrical connection. These fuses are located in four fuse boxes.

Wiring Diagrams and Free Manual Ebooks: 2004 Acura MDX ...
Wiring Diagrams and Free Manual Ebooks: 2004 Acura MDX ... from 2.bp.blogspot.com
Is a visual representation of the components and cables associated with an electrical connection. 53 suzuki pdf manuals download for free. Doch solche vergleiche sind natürlich unfair. Primary under hood fuse box acura mdx fuse box primary under hood box. Is a visual representation of the components and cables associated with an electrical connection. 2001, 2002, 2003, 2004, 2005, 2006). This is a complete service manual contains all necessary instructions needed for any repair your vehicle may require. 1994 1996 acura integra engine schematic.

Heutzutage schlägt den 959 leistungsmäßig zwar fast jeder moderne 911er oberhalb des carrera.

Whether your an expert acura mdx car alarm installer, acura mdx performance fan or a novice acura mdx enthusiast with a 2004 acura mdx, a acura feel free to use any acura mdx auto alarm wiring diagram that is listed on modified life but keep in mind that all information here is provided as is. Acura tsx fuse box diagram. 2006 acura mdx owner's manual. Acura 2004 mdx manual online: Acura mdx electrical fuse replacement guide how to check or change a blown electrical fuse or a faulty relay in a 1st generation 2001 to 2006 acura mdx suv. 2004 acura tsx system wiring diagrams. Location of fuse boxes, fuse diagrams, assignment of the electrical fuses and relays in acura vehicles. Mdx fuse box locations6 viewsjun 3, 2019youtubejoe beermasterwatch video5:212004 acura mdx general starter cut off relay location4 views9 months agoyoutubelifted mikewatch video1. 2004 acura mdx change vehicle. 2004 acura mdx could anybody tell me where the fuse box is? 2004 chevy express fuse box automotive wiring schematic. Battery via starter cable, main wire harness, taillight relay, dimmer relay This pictorial diagram shows us a physical connection that is much easier to understand in an electrical circuit or system.

Iklan Atas Artikel

Iklan Tengah Artikel 1

Iklan Tengah Artikel 2

Iklan Bawah Artikel