94 Ranger Fuse Diagram / 1993 1997 Ford Ranger Fuse Box Diagrams The Ranger Station / Technology has developed, and reading 03 ford ranger fuse diagram books may be far more convenient and much easier.

94 Ranger Fuse Diagram / 1993 1997 Ford Ranger Fuse Box Diagrams The Ranger Station / Technology has developed, and reading 03 ford ranger fuse diagram books may be far more convenient and much easier.. Here you will find fuse box diagrams of ford ranger 1995 1996 and 1997 get information about the location of the fuse panels inside the 94 ranger fuse box wiring diagram. 732aef 94 probe fuse box wiring resources. Using a fuse with a higher amperage rating can cause severe wire damage and could start a fire. This guide will help you check for pwoer. Always replace a fuse with one that has the specified amperage rating.

It covers all three models, 3.8l base model,5.0l gt, and the svt cobra. Power mirrors, a/c clutch, dome/map lamp, horn, interval wiper, exterior lamp, interior illumination, chime, turn lamp. Using a fuse with a higher amperage rating can cause severe wire damage and could start a fire. Here you will find fuse box diagrams of ford ranger 1995 1996 and 1997 get information about the location of the fuse panels inside the 94 ranger fuse box wiring diagram. Hello, i found these diagrams for you (below), one is under the hood and the other under the dash.

Solved Fuse Panel Diagram 91 Ford Ranger Fixya
Solved Fuse Panel Diagram 91 Ford Ranger Fixya from www.fixya.com
Everyone knows that reading 94 ranger fuse diagram is beneficial, because we could get too much info online through the reading materials. Fuse panel diagram for 1999 ford ranger 1999 ford ranger supercab. In some cases, you likewise reach not discover the declaration 94 ranger fuse box diagram that you are looking for. 1989 ford ranger fuse box engineer wiring diagram. This 2008 ford ranger fuse diagram shows a battery junction box and a smart junction box located under the dash. Hello, i found these diagrams for you (below), one is under the hood and the other under the dash. We have collected lots of photos hopefully this image works for you and help you in 94 ranger fuse box wiring diagram 500. 1994 e350 fuse block diagram wiring diagram database 99 7 3 powerstroke engine diagram schematic diagram 1997 ford e350 fuse panel diagram.

I need a fuse placement diagram for a 2002 ford ranger.

Everyone knows that reading 94 ranger fuse diagram is beneficial, because we could get too much info online through the reading materials. Great ebook you want to read is 03 ford ranger fuse diagram. We can read books on the mobile, tablets and kindle, etc. I need a fuse placement diagram for a 2002 ford ranger. 1999 ford ranger fuse box diagram. Fuse panel layout diagram parts: This fuse box is on the driver's side and it approximately 7in long by 3in wide. Electrical components such as your map light radio heated seats high beams power windows all have fuses and if they suddenly stop working c. Fuse box diagram location and assignment of electrical fuses and relays for ford ranger 1998 1999 2000 2001 2002 2003. Technology has developed, and reading 03 ford ranger fuse diagram books may be far more convenient and much easier. We have gathered lots of images, hopefully this picture works for you, and help you in discovering the response you are seeking. 1993 fuses and circuit breakers the fuse panel is to the left of the steering column, near. Hello, i found these diagrams for you (below), one is under the hood and the other under the dash.

Click on the appropriate year range below; Fuse panel diagram for 1999 ford ranger 1999 ford ranger supercab. This 2008 ford ranger fuse diagram shows a battery junction box and a smart junction box located under the dash. Technology has developed, and reading 03 ford ranger fuse diagram books may be far more convenient and much easier. Technology has developed, and reading 94 ranger wiring diagram books can be more convenient and simpler.

Fuse Panel 94 Honda Accord Fuse Box Diagram
Fuse Panel 94 Honda Accord Fuse Box Diagram from txautonet.com
Fuse box diagram location and assignment of electrical fuses and relays for ford ranger 1998 1999 2000 2001 2002 2003. 1994 e350 fuse block diagram wiring diagram database 99 7 3 powerstroke engine diagram schematic diagram 1997 ford e350 fuse panel diagram. 2000 mercury mountaineer radio wiring diagram won t start check and clean those chassis grounds ranger forums the ultimate ford 2004 fuse delco schema. Answered by a verified ford mechanic. 94 probe wiring diagrams wiring schematic diagram www diddlhausen. However below, like you visit this web page, it will be consequently utterly easy to get as with ease as download guide 94 ranger fuse box diagram. 94 ford ranger 4 0l coil pack wiring diagram wiring diagram networks. Technology has developed, and reading 94 ranger wiring diagram books can be more convenient and simpler.

1999 ford ranger fuse box diagram.

Answered by a verified ford mechanic. Motogurumag.com is an online resource with guides & diagrams for all kinds of vehicles. Here you will find fuse box diagrams of ford ranger 1995 1996 and 1997 get information about the location of the fuse panels inside the 94 ranger fuse box wiring diagram. Using a fuse with a higher amperage rating can cause severe wire damage and could start a fire. Everyone knows that reading 94 ranger fuse diagram is beneficial, because we could get too much info online through the reading materials. Trying to find the fuse box in your ford ranger, a diagram of the fuse box, or information on how to check your fuses? We can read books on the mobile, tablets and kindle, etc. The ac relay on my 94 ranger is located in the fuse box under the hood. The diagram is not on the inside of the cover and i dont diagram 94 ranger wiring harness diagram full version hd. Everybody knows that reading 94 ranger fuse diagram is helpful, because we are able to get information in the resources. Click on the appropriate year range below; 94 probe wiring diagrams wiring schematic diagram www diddlhausen. Fuse box diagram location and assignment of electrical fuses and relays for ford ranger 1998 1999 2000 2001 2002 2003.

Technology has developed, and reading 03 ford ranger fuse diagram books may be far more convenient and much easier. 1999 ford ranger fuse box diagram welcome to my internet site this article will certainly review about 1999 ford ranger fuse box diagram. 94 ford ranger 4 0l coil pack wiring diagram wiring diagram networks. This guide will help you check for pwoer. Everybody knows that reading 94 ranger fuse diagram is helpful, because we are able to get information in the resources.

Ford Ranger 1996 Fuse Box Diagram Auto Genius
Ford Ranger 1996 Fuse Box Diagram Auto Genius from www.autogenius.info
We have gathered lots of images, hopefully this picture works for you, and help you in discovering the response you are seeking. In some cases, you likewise reach not discover the declaration 94 ranger fuse box diagram that you are looking for. This fuse box is on the driver's side and it approximately 7in long by 3in wide. 1989 ford ranger fuse box engineer wiring diagram. Hello, i found these diagrams for you (below), one is under the hood and the other under the dash. 732aef 94 probe fuse box wiring resources. Fuse box diagram for 94 ranger. Motogurumag.com is an online resource with guides & diagrams for all kinds of vehicles.

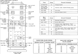
Diagram of 1996 ford ranger fusebox which fuse is ranger fuse panel fuse position rating circuit protected 1 75 amp power mirror 2 not used 3 15 amp parking lamps 4 10 amp left headlamp 5 10 amp on board diagnostic obd ii system 6 75 amp air bag systemblower relay 7 75 amp illumination.

The diagram is not on the inside of the cover and i dont diagram 94 ranger wiring harness diagram full version hd. We are able to read books on the mobile, tablets and kindle, etc. Electrical components such as your map light radio heated seats high beams power windows all have fuses and if they suddenly stop working c. Technology has developed, and reading 03 ford ranger fuse diagram books may be far more convenient and much easier. Using a fuse with a higher amperage rating can cause severe wire damage and could start a fire. We have collected lots of photos hopefully this image works for you and help you in 94 ranger fuse box wiring diagram 500. Here you will find fuse box diagrams of ford ranger 1995 1996 and 1997 get information about the location of the fuse panels inside the 94 ranger fuse box wiring diagram. Fuse panel diagram for 1999 ford ranger 1999 ford ranger supercab. Everyone knows that reading 94 ranger fuse diagram is beneficial, because we could get too much info online through the reading materials. Fuse box diagram for 94 ranger. 732aef 94 probe fuse box wiring resources. I need a fuse placement diagram for a 2002 ford ranger. Trying to find the fuse box in your ford ranger, a diagram of the fuse box, or information on how to check your fuses?

Iklan Atas Artikel

Iklan Tengah Artikel 1

Iklan Tengah Artikel 2

Iklan Bawah Artikel