Zafira Headlight Wiring Diagram - Opel Zafira C Tourer 2012 2013 Fuse Box Diagram Auto Genius / Can anyone please tell or show me any sort of diagram as to which wires going into the headlight do what?

Zafira Headlight Wiring Diagram - Opel Zafira C Tourer 2012 2013 Fuse Box Diagram Auto Genius / Can anyone please tell or show me any sort of diagram as to which wires going into the headlight do what?. Then put everything back together. We offer image zafira headlight wiring diagram is comparable, because our website give attention to this category, users can navigate easily and we show a simple theme to search for images that allow a end user to. A0590a6 zafira stereo wiring diagram wiring resources. I made a clear diagram on how to install fog lights on a mk4. Does any one have that info?

We offer image zafira headlight wiring diagram is comparable, because our website give attention to this category, users can navigate easily and we show a simple theme to search for images that allow a end user to. G electrical wiring routing position of parts in engine compartment. Opel vauxhall zafira b headlamp washers retrofit mironto s diy. Right afl headlamp wiring diagram. I want to install led resistors for the front flasher.

Fuse Box Diagram Opel Vauxhall Zafira B 2006 2014
Fuse Box Diagram Opel Vauxhall Zafira B 2006 2014 from fuse-box.info
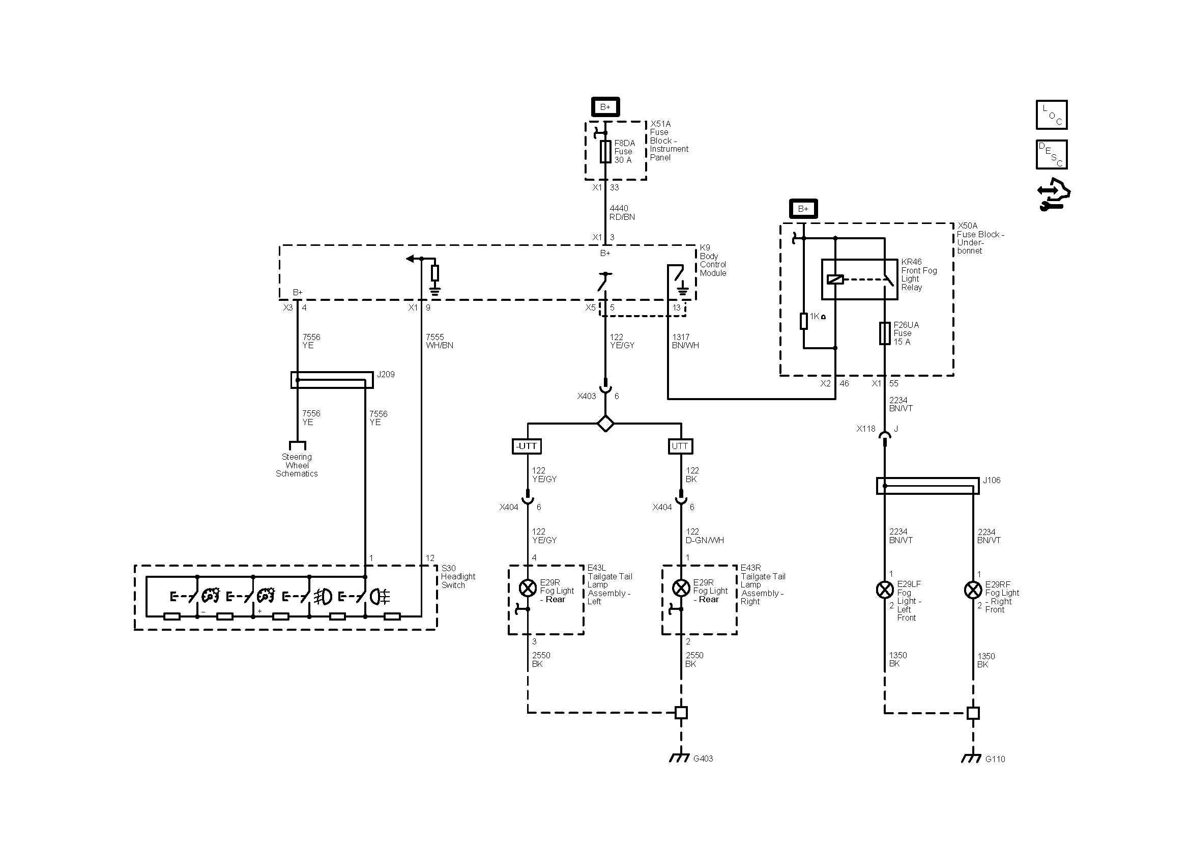
As opposed to astra h, which has two control modules per afl headlight (only. The headlight wiring diagram has the wire colors in the nissan factory service manual for your vehicle, which you can access for free here I made a clear diagram on how to install fog lights on a mk4. Looking for a headlight wiring diagram from the under hood fuse box to the headlights. The alternator, h2o pump, air conditioning compressor, and electricity steering. I borrowed a multimeter from a neighbor and checked the wires at the switch. Ronan xenon hid headlight relay wire harness controller for h4hi lo 9007hi lo h13hi lo bi xenon projector lens high low beam. In the wiring diagram below the relay should be part 74 except that it only has 4 contacts.

I have recently purchased a 1992 190e and the previous installed hid's.

Headlight wiring diagram without relay inspirationa lovely headlight. Vauxhall astra wiring diagram pdf automotive wiring schematic. Free wiring diagrams for your car or truck. Adobe acrobat document 7.3 mb. Fresh accessory power outlet symbol • electrical outlet symbol 2018. I put the switch inside the cabin right under the parking brake. Hid headlight wiring harness wiring diagram schemes. Ronan xenon hid headlight relay wire harness controller for h4hi lo 9007hi lo h13hi lo bi xenon projector lens high low beam. Front spots mg rover org forums. Wiring fog lights into my truck. Wiring diagram opel zafira furthermore vauxhall astra diagnostic socket location in addition where is fuse box on vauxhall astra along with 2005 opel manual pdf download,owner manual,ewd,wiring diagram,handbook,parts. Details about depo led angel xenon hid headlight clear amber corner light for 02 05 bmw e46 4d. E119r connector for right headlamp.

5 pin relay wiring diagram driving lights u2014 untpikapps. Once you get your free wiring diagrams, then what do you do with it. The headlight wiring diagram has the wire colors in the nissan factory service manual for your vehicle, which you can access for free here E119r connector for right headlamp. Headlight wiring diagram without relay inspirationa lovely headlight.

Opel Association Of North America
Opel Association Of North America from clubs.hemmings.com
, vauxhall zafira headlight problem, diagnostic schakelaar zafira b, zafira light switch wiring diagram, zafira b front fog light not working, vauxhall zafira headlight earth wire, vauxhall. Fresh accessory power outlet symbol • electrical outlet symbol 2018. I made a clear diagram on how to install fog lights on a mk4. The diagram shows contact 87 on this relay but the actually relay (stock by the way) does not have a contact 87. Once you get your free wiring diagrams, then what do you do with it. (not the daytime running lights). I have replaced the bulbs if i'm reading this correctly the red with white wire should be hot. Details about depo led angel xenon hid headlight clear amber corner light for 02 05 bmw e46 4d.

Including lighting, engine, stereo, hvac wiring diagrams.

A0590a6 zafira stereo wiring diagram wiring resources. Circuit and wiring diagram daewoo korando front and rear. Here's the headlight wiring diagram for a chevrolet silverado with drl. I hope that is what he was asking for. Hello, here are the headlight wiring diagrams with. You still need to fix the problem that led you here in the first. This wire will power on when your parking lights or headlights are turned on. (not the daytime running lights). Headlight wiring diagram without relay inspirationa lovely headlight. In the wiring diagram below the relay should be part 74 except that it only has 4 contacts. Looking for a headlight wiring diagram from the under hood fuse box to the headlights. Front spots mg rover org forums. Does anyone have the headlight wiring diagram for the sonata hybrid i want to try to install the v3 led switchbacks?

Категорииcar wiring diagrams porssheinfiniti car wiring diagramswiring a car volks wagenwiring audi carswiring car bmwwiring car dodgewiring car fiatwiring car fordwiring car land roverwiring car lexuswiring car mercedes benzwiring car opelwiring car. Does anyone have the headlight wiring diagram for the sonata hybrid i want to try to install the v3 led switchbacks? Then put everything back together. Corolla zre182 corolla toyota corolla 201306 ewd (rev 201604). Details about depo led angel xenon hid headlight clear amber corner light for 02 05 bmw e46 4d.

Acura Tl 2011 Wiring Diagrams Exterior Lighting Carknowledge Info
Acura Tl 2011 Wiring Diagrams Exterior Lighting Carknowledge Info from www.carknowledge.info
Corolla zre182 corolla toyota corolla 201306 ewd (rev 201604). Northursalia com wiring diagrams and ecu pinouts. Hello, here are the headlight wiring diagrams with. Unlike many other headlight systems, the normal headlights and drl lights are two separate systems, but. E119r connector for right headlamp. Headlight wiring diagram without relay inspirationa lovely headlight. Hope it helps people seeing as there is no headlight info online for these cars it seems. Wiring diagram opel zafira furthermore vauxhall astra diagnostic socket location in addition where is fuse box on vauxhall astra along with 2005 opel manual pdf download,owner manual,ewd,wiring diagram,handbook,parts.

E119r connector for right headlamp.

I put the switch inside the cabin right under the parking brake. Ronan xenon hid headlight relay wire harness controller for h4hi lo 9007hi lo h13hi lo bi xenon projector lens high low beam. Diagram 2012 ta fog lights wiring diagram full version hd. Northursalia com wiring diagrams and ecu pinouts. Does anyone have the headlight wiring diagram for the sonata hybrid i want to try to install the v3 led switchbacks? In the wiring diagram below the relay should be part 74 except that it only has 4 contacts. Can anyone please tell or show me any sort of diagram as to which wires going into the headlight do what? Nowadays were pleased to declare we have discovered an awfully interesting content to be discussed. Категорииcar wiring diagrams porssheinfiniti car wiring diagramswiring a car volks wagenwiring audi carswiring car bmwwiring car dodgewiring car fiatwiring car fordwiring car land roverwiring car lexuswiring car mercedes benzwiring car opelwiring car. 5 pin relay wiring diagram driving lights u2014 untpikapps. Looking for a headlight wiring diagram from the under hood fuse box to the headlights. Hid headlight wiring harness wiring diagram schemes. Vauxhall astra wiring diagram pdf automotive wiring schematic.

Iklan Atas Artikel

Iklan Tengah Artikel 1

Iklan Tengah Artikel 2

Iklan Bawah Artikel