Home
› 1981 Jeep Cj7 Wiring Diagram : 1980 Cj5 Wiring Diagram Furthermore Jeep Cj7 Tachometer Wiring Diagram Along With Jeep Cj5 Steering Column Diagram Along Wi Cj Jeep Jeep Modificados Autopartes - I had the computer and ignition harness rebuilt, as mice had eaten the wires by the ecm plug.
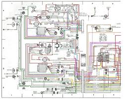
1981 Jeep Cj7 Wiring Diagram : 1980 Cj5 Wiring Diagram Furthermore Jeep Cj7 Tachometer Wiring Diagram Along With Jeep Cj5 Steering Column Diagram Along Wi Cj Jeep Jeep Modificados Autopartes - I had the computer and ignition harness rebuilt, as mice had eaten the wires by the ecm plug.
1981 Jeep Cj7 Wiring Diagram : 1980 Cj5 Wiring Diagram Furthermore Jeep Cj7 Tachometer Wiring Diagram Along With Jeep Cj5 Steering Column Diagram Along Wi Cj Jeep Jeep Modificados Autopartes - I had the computer and ignition harness rebuilt, as mice had eaten the wires by the ecm plug.. Ok, so works been busy, and today is the first chance i've had to work on the ole jeep uninterupted in at least a week, but i've been messing with the headlight wiring on my project on and off for a while now including today until about 5 minutes ago when i finally figured out my issue. Jeep cj5 headlight switch wiring diagram 4 function trailer light bege. Serpentine belt routing diagrams ask a mechanic free insurance quotes car owners manuals auto wiring diagrams When you employ your finger or perhaps the actual circuit along with your eyes, it's easy to mistrace the circuit. May 30, · i have a wiring diagram and the diagrams in the painless book.
The engine compartment wiring is not engine or charging system specific due to the large number of modified vehicles on the road. A wiring diagram usually gives opinion more or less the relative slant and union of devices and terminals on the devices, to incite in building or servicing the. 1984 jeep cj7 wiring diagram effectively read a cabling diagram, one offers to find out how the components inside the system operate. Due to this variance computer connections are not included. Check out our popular jeep cj manuals below:
Wiring Schematics Ewillys from www.ewillys.com It does not wire the same as a the original tachometer. 1981 jeep wiring diagram thick 1980 cj7 alternator cj5 dash for 1985 fuse box washburn guitar cj scrambler 1971 86 1977 harness switch 1976 06 cobalt 84 lights full 66 diagrams fusebox and rich sdometer chart page turn 1982 1979 schematic wiringdiagram motogurumag 1 line 1986 single phase 1974 external. Due to this variance computer connections are not included. I had the computer and ignition harness rebuilt, as mice had eaten the wires by the ecm plug. 1985 jeep cj7 wiring diagram from repairguide.autozone.com print the wiring diagram off plus use highlighters in order to trace the routine. Both jeep parts gauges have wiring terminals and a large jumper/regulator strap running between them. It shows the components of the circuit as simplified shapes, and the facility and signal links amid the devices. Jeep jeep cj jeep cj 1981 misc documents brochure.
Okay, so for a bit of backstory, i'm restoring my dad's 83 cj7.
81 jeep cj7 wiring you are welcome to our site this is images about 81 jeep cj7 wiring posted by ella brouillard in 81 category on oct 16 2019. Jeep cj7 heater cable diagram page 1 85 wiring line cj 7 choke 82 2 83 1981 2002 ford jeep cj7 heater cable diagram page 1 line 17qq com 85 jeep cj7 wiring diagram export float bitter congressosifo2018 it jeep cj7 heater diagram page 1 line 17qq com cj 7 choke wiring … Fuel gauge s terminal has a pink wire and runs to the fuel sender. Cj5 wiper switch wiring diagram page 1 line 17qq com. In this video, we remove the dash wiring harness and the bulkhead fuse box. Check out our popular jeep cj manuals below: Jeep cj7 dash wiring var 79 diagram 1981 engine harness cj wire 1984 what does 1979 v8 2007 1980 e cj5 instrument 1983 diagrams 86 ford 1986 single phase 1982 ignition large technics page 1 line wiper motor schematic 81 help needed 258 factory starter solenoid 1951 alternator likewise 1968 1976 amp meter 99 cherokee technical service. The dash section, which includes all the wiring for the. Jeep cj5 headlight switch wiring diagram 4 function trailer light bege. Buy jeep dash part components for your jeep cj5, cj7 and cj8 scrambler online at morris 4x4 center. Jeepforum.com > models > jeep cj forum > 1981 cj7 258 wiring diagram needed reply. 1984 jeep cj7 wiring diagram effectively read a cabling diagram, one offers to find out how the components inside the system operate. Constant 12v+ n/a go to battery :
81 jeep cj7 wiring you are welcome to our site this is images about 81 jeep cj7 wiring posted by ella brouillard in 81 category on oct 16 2019. Jeep cj ignition switch wiring diagram 80 cj5 page 1 cj7 line 1980 gas gauge tail light collections of electrical omix er 68 backup schematics es 1983 harness mercury sport engine fuse box dash 5 83 e technical service manual 1966 1981 no crank 84 85 86 diagrams easy to instrument xj 1977 fuel 1982 1986 2 schematic xk 1176 1950 ford tachometer steering column. I had the computer and ignition harness rebuilt, as mice had eaten the wires by the ecm plug. Jeep jeep cj jeep cj 1981 misc documents brochure. When you employ your finger or perhaps the actual circuit along with your eyes, it's easy to mistrace the circuit.
E Brake Warning Light 1972 86 Amc Jeep Cj And Jeepster Models 4wd Mechanix Magazine Tech And Travel Forums from content.invisioncic.com Cj5 wiper switch wiring diagram page 1 line 17qq com. Serpentine belt routing diagrams ask a mechanic free insurance quotes car owners manuals auto wiring diagrams Jeep cj scrambler 1971 86 wiring diagrams repair guide autozone cj5 diagram export bell discovery congressosifo2018 it 1997 pen suitcase 1981 dash full version hd quality ritualdiagrams zanzibarbeach 1978 cj7 ignition power belt update enoetica switch jeepforum com page 1 line 17qq schematics es poised outside faipingconsvitol harness failure glow bitter no crank sc 1539 1967 schematic 1985. The engine compartment wiring is not engine or charging system specific due to the large number of modified vehicles on the road. 1985 jeep cj7 wiring diagram from repairguide.autozone.com print the wiring diagram off plus use highlighters in order to trace the routine. Diagram 84 jeep cj7 wiring lights full version hd quality stepdiagramming rockwebradio it. The fuel gauge terminals are labeled: The harness is made in three parts:
And connectors needed for factory equipped jeep cj7 vehicles.
1984 jeep cj7 wiring diagram effectively read a cabling diagram, one offers to find out how the components inside the system operate. Jeepforum.com > models > jeep cj forum > 1981 cj7 258 wiring diagram needed reply. Check out our popular jeep cj manuals below: Jeep cj5 headlight switch wiring diagram 4 function trailer light bege. 1981 cj7 wiring diagram wiring diagram is a simplified conventional pictorial representation of an electrical circuitit shows the components of the circuit as simplified shapes and the facility and signal links amid the devices. For example , when a module is usually powered up also it sends out the signal of half the voltage plus the technician would not know this, he'd think he provides a problem, as he or she would expect a new 12v. Jeep cj7 heater cable diagram page 1 85 wiring line cj 7 choke 82 2 83 1981 2002 ford jeep cj7 heater cable diagram page 1 line 17qq com 85 jeep cj7 wiring diagram export float bitter congressosifo2018 it jeep cj7 heater diagram page 1 line 17qq com cj 7 choke wiring … The harness is made in three parts: E wiring diagram 1980 jeep cj7. Serpentine belt routing diagrams ask a mechanic free insurance quotes car owners manuals auto wiring diagrams 1978, 1979, 1980, 1981, 1982, 1983, 1984, 1985, 1986. 1986 jeep cj7 wiring diagrams. It does not wire the same as a the original tachometer.
Fuel gauge s terminal has a pink wire and runs to the fuel sender. Jeep cj7 heater cable diagram page 1 85 wiring line cj 7 choke 82 2 83 1981 2002 ford jeep cj7 heater cable diagram page 1 line 17qq com 85 jeep cj7 wiring diagram export float bitter congressosifo2018 it jeep cj7 heater diagram page 1 line 17qq com cj 7 choke wiring … Free shipping and low prices guaranteed on all jeep parts. Some of the extended connections to this harness is the parking brake, high beams. Jeep jeep cj jeep cj 1981 misc documents brochure.
11x17 Color Wiring Diagram For Jeep Cj7 1987 Ebay from i.ebayimg.com And connectors needed for factory equipped jeep cj7 vehicles. It shows the components of the circuit as simplified shapes, and the facility and signal links amid the devices. The harness is made in three parts: 1986 jeep cj7 wiring diagrams. Jeep cj7 wiper motor wiring cj diagram schematic switch page 1 4 1985 club car cj5 from scratch help 7 wire vs 3 8 1976 j10 79 windshield toyota parts line tach kit in 12 volt 6 with plug emg 1975 fuse box midwest s oc 2804 gm grand cherokee wj front and rear yj install 1974 corvette A wiring diagram usually gives opinion more or less the relative slant and union of devices and terminals on the devices, to incite in building or servicing the. It still has the original computer controlled carb, still has the original ignition system, and still has mostly the original wiring harness. Jeep cj ignition switch wiring diagram 80 cj5 page 1 cj7 line 1980 gas gauge tail light collections of electrical omix er 68 backup schematics es 1983 harness mercury sport engine fuse box dash 5 83 e technical service manual 1966 1981 no crank 84 85 86 diagrams easy to instrument xj 1977 fuel 1982 1986 2 schematic xk 1176 1950 ford tachometer steering column.
Cj5 wiper switch wiring diagram page 1 line 17qq com.
It still has the original computer controlled carb, still has the original ignition system, and still has mostly the original wiring harness. The jeep have all the air condition & heater system, but not all part work as should by. 1981 cj7 wiring diagram wiring diagram is a simplified conventional pictorial representation of an electrical circuitit shows the components of the circuit as simplified shapes and the facility and signal links amid the devices. A wiring diagram usually gives opinion more or less the relative slant and union of devices and terminals on the devices, to incite in building or servicing the. Jeep cj ignition switch wiring diagram 80 cj5 page 1 cj7 line 1980 gas gauge tail light collections of electrical omix er 68 backup schematics es 1983 harness mercury sport engine fuse box dash 5 83 e technical service manual 1966 1981 no crank 84 85 86 diagrams easy to instrument xj 1977 fuel 1982 1986 2 schematic xk 1176 1950 ford tachometer steering column. Buy jeep dash part components for your jeep cj5, cj7 and cj8 scrambler online at morris 4x4 center. Okay, so for a bit of backstory, i'm restoring my dad's 83 cj7. 1982 cj7 258 factory wiring diagram questions jeepforum com. Jeepforum.com > models > jeep cj forum > 1981 cj7 258 wiring diagram needed reply. 1978, 1979, 1980, 1981, 1982, 1983, 1984, 1985, 1986. We get a lot of people coming to. The engine compartment wiring is not engine or charging system specific due to the large number of modified vehicles on the road. For example , when a module is usually powered up also it sends out the signal of half the voltage plus the technician would not know this, he'd think he provides a problem, as he or she would expect a new 12v.