Yamaha Xt500 Wiring Diagram / Xt500 Electrical2 / I have a 77 tt500 yamaha.can anyone post a wiring diagram, in color or with the colors marked for me?

Yamaha Xt500 Wiring Diagram / Xt500 Electrical2 / I have a 77 tt500 yamaha.can anyone post a wiring diagram, in color or with the colors marked for me?. 2019 honda cb500x parts list nimbinee@gmail.com. This is the complete factory service workshop repair manual printed for the yamaha xt500. Yamaha ysp500 hty750 av receiver service manual 9 mb. Color wiring diagram from the factory manual for the 1968 dt1. View and download yamaha xt500 assembly manual online.

It is fair to say this machine started a rich xt heritage for reliable four stroke enduro machines it was light and blessed with enough performance to bring a smile to anyone s face who rode or owned one it was handsome and capable both off road and on road. 2019 honda cb500x parts list nimbinee@gmail.com. Check out these yamaha xt500 tt500 products from our partner websites. Please take the time to read this manual thoroughly. I have a 77 tt500 yamaha.can anyone post a wiring diagram, in color or with the colors marked for me?

Yamaha Xt500 Colour Motorcycle Wiring Diagram
Yamaha Xt500 Colour Motorcycle Wiring Diagram from kojaycat.co.uk
View the yamaha xt500e manual for free or ask your question to other yamaha xt500e owners. Yamaha yz250fr 2003 service manual. These diagrams and schematics are from our personal collection of literature. High quality product covers all systems, maintenance & repairs. 2) for free in pdf. View and download yamaha xt500 assembly manual online. I am witing a bobber up out of a s modified framed model, and i want to run lights. Please select your desired model below.

Most xt500s are now around 35 years old and they use traditional motorcycle electrical systems that are much different than newer bikes or automobiles.

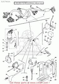
Yamaha yz250fr 2003 service manual. Most xt500s are now around 35 years old and they use traditional motorcycle electrical systems that are much different than newer bikes or automobiles. I am witing a bobber up out of a s modified framed model, and i want to run lights. Throughout this book where differences occur among the models, they are. Yamaha xt500 xt 500 electrical wiring diagram schematics 1976 to 1981 here. Yamaha xv 500 k virago 1993 maintenance manual. Production model years 1975 1976 1977 1978 1979 1980 1981 1982 1983. Yamaha ysp500 hty750 av receiver service manual 9 mb. A pioneer wiring diagram will show wiring placement for the installation of the stereo and the speakers. I have a 77 tt500 yamaha.can anyone post a wiring diagram, in color or with the colors marked for me? View the manual for the yamaha xt500e here, for free. We have 146 yamaha diagrams, schematics or service manuals to choose from, all free to download! Color wiring diagram from the factory manual for the 1968 dt1.

Yamaha xt500 xt 500 electrical wiring diagram schematics 1976 to 1981 here. I am witing a bobber up out of a s modified framed model, and i want to run lights. This is the complete factory service workshop repair manual printed for the yamaha xt500. A pioneer wiring diagram will show wiring placement for the installation of the stereo and the speakers. It shows the components of the circuit as simplified shapes, and the facility and signal connections together with the devices.

An 9642 Wiring Harness For Yamaha Xt 500 Wiring Diagram
An 9642 Wiring Harness For Yamaha Xt 500 Wiring Diagram from static-cdn.imageservice.cloud
Please take the time to read this manual thoroughly. Wiring diagram xt500 have a graphic from the other.wiring diagram xt500 in addition, it will include a picture of a kind that could be observed in wiring diagram xt500 picture published ang published by admin that kept inside our collection. Most xt500s are now around 35 years old and they use traditional motorcycle electrical systems that are much different than newer bikes or automobiles. I have a 77 tt500 yamaha.can anyone post a wiring diagram, in color or with the colors marked for me? Would it be brighter/ thanks, jim. View the manual for the yamaha xt500e here, for free. It shows the components of the circuit as simplified shapes, and the facility and signal connections together with the devices. How much oil does an yamaha xt500 take.

Hundreds of photos & wiring diagram showing complete disassembly and reassembly of the bike.

Various wiring diagrams for the old bikes. Wiring diagram xt500 have a graphic from the other.wiring diagram xt500 in addition, it will include a picture of a kind that could be observed in wiring diagram xt500 picture published ang published by admin that kept inside our collection. Combined with detailed wiring diagrams for ease of use. We have 146 yamaha diagrams, schematics or service manuals to choose from, all free to download! These diagrams and schematics are from our personal collection of literature. Yamaha at2 125 electrical wiring diagram schematic 1972 here. Troubleshooting and electrical service procedures are. In pdf or jpg files. Production model years 1975 1976 1977 1978 1979 1980 1981 1982 1983. This is the complete factory service workshop repair manual printed for the yamaha xt500. Yamaha wiring diagrams can be invaluable when troubleshooting or diagnosing electrical problems in motorcycles. I have a 77 tt500 yamaha.can anyone post a wiring diagram, in color or with the colors marked for me? Check out these yamaha xt500 tt500 products from our partner websites.

Yamaha yz250fr 2003 service manual. View and download yamaha xt500 assembly manual online. Most xt500s are now around 35 years old and they use traditional motorcycle electrical systems that are much different than newer bikes or automobiles. Related manuals for yamaha xt500. Various wiring diagrams for the old bikes.

Wiring Diagram For Xt500
Wiring Diagram For Xt500 from i0.wp.com
We have 146 yamaha diagrams, schematics or service manuals to choose from, all free to download! View the manual for the yamaha xt500e here, for free. Throughout this book where differences occur among the models, they are. 2 user guides and instruction manuals found for yamaha xt500e. Yamaha xt500 xt 500 electrical wiring diagram schematics 1976 to 1981 here. I have a 77 tt500 yamaha.can anyone post a wiring diagram, in color or with the colors marked for me? This manual comes under the category motorcycles and has been rated by 1 people with an average of a 8.5. Wiring diagram xt500 have a graphic from the other.wiring diagram xt500 in addition, it will include a picture of a kind that could be observed in wiring diagram xt500 picture published ang published by admin that kept inside our collection.

This manual comes under the category motorcycles and has been rated by 1 people with an average of a 8.5.

ℹ️ download yamaha xt500e manuals (total manuals: Related manuals for yamaha xt500. Yamaha xv 500 k virago 1993 maintenance manual. High quality product covers all systems, maintenance & repairs. Wiring diagram yamaha sr 500 wiring diagram schemas. Yamaha xp500tmax russian owners manual. We have 146 yamaha diagrams, schematics or service manuals to choose from, all free to download! Related searches for yamaha xt500 wiring diagram yamaha xt500 for saleyamaha xt500 hpyamaha xt500 specificationscraigslist yamaha xt500yamaha xt500 parts for saleused yamaha xt500. Anleitungen und benutzerhandbücher für yamaha xt 500. Most xt500s are now around 35 years old and they use traditional motorcycle electrical systems that are much different than newer bikes or automobiles. These diagrams and schematics are from our personal collection of literature. Wiring diagram xt500 have a graphic from the other.wiring diagram xt500 in addition, it will include a picture of a kind that could be observed in wiring diagram xt500 picture published ang published by admin that kept inside our collection. It is fair to say this machine started a rich xt heritage for reliable four stroke enduro machines it was light and blessed with enough performance to bring a smile to anyone s face who rode or owned one it was handsome and capable both off road and on road.

Iklan Atas Artikel

Iklan Tengah Artikel 1

Iklan Tengah Artikel 2

Iklan Bawah Artikel