Wiring Schematic For 90 Integra : Free Wiring Diagram Acura Integra Wiring Diagram : And, making larger documents where you could see the details, meant that the document was too large to print on a.

Wiring Schematic For 90 Integra : Free Wiring Diagram Acura Integra Wiring Diagram : And, making larger documents where you could see the details, meant that the document was too large to print on a.. 90 crx hf in the …. Starting system & wiring diagram. Customers using or selling these products for use in such applications do so at their own risk and agree to fully indemnify integra. Plug wiring diagram 90 acura integra wiring diagram 91 accord engine diagram cooling 91 blazer wiring schematic 91 accord fuse box plug 90 toyota pickup ecm wiring 89 yamaha virago wiring diagram 89 pontiac firebird wiring diagram 90 camaro distributor wiring diagram 9005 9006. Alarm wiring for ef8 ('90 jdm crx) [with diagram pic.

Free pdf download for thousands of cars and trucks. Manufacturer reserves the right to discontinue, or change at any time, specifications or designs without notice and without incurring obligations. Customers using or selling these products for use in such applications do so at their. I included dx pinouts w/wire color, and voltage/inputs. 651 x 749 jpeg 75 кб.

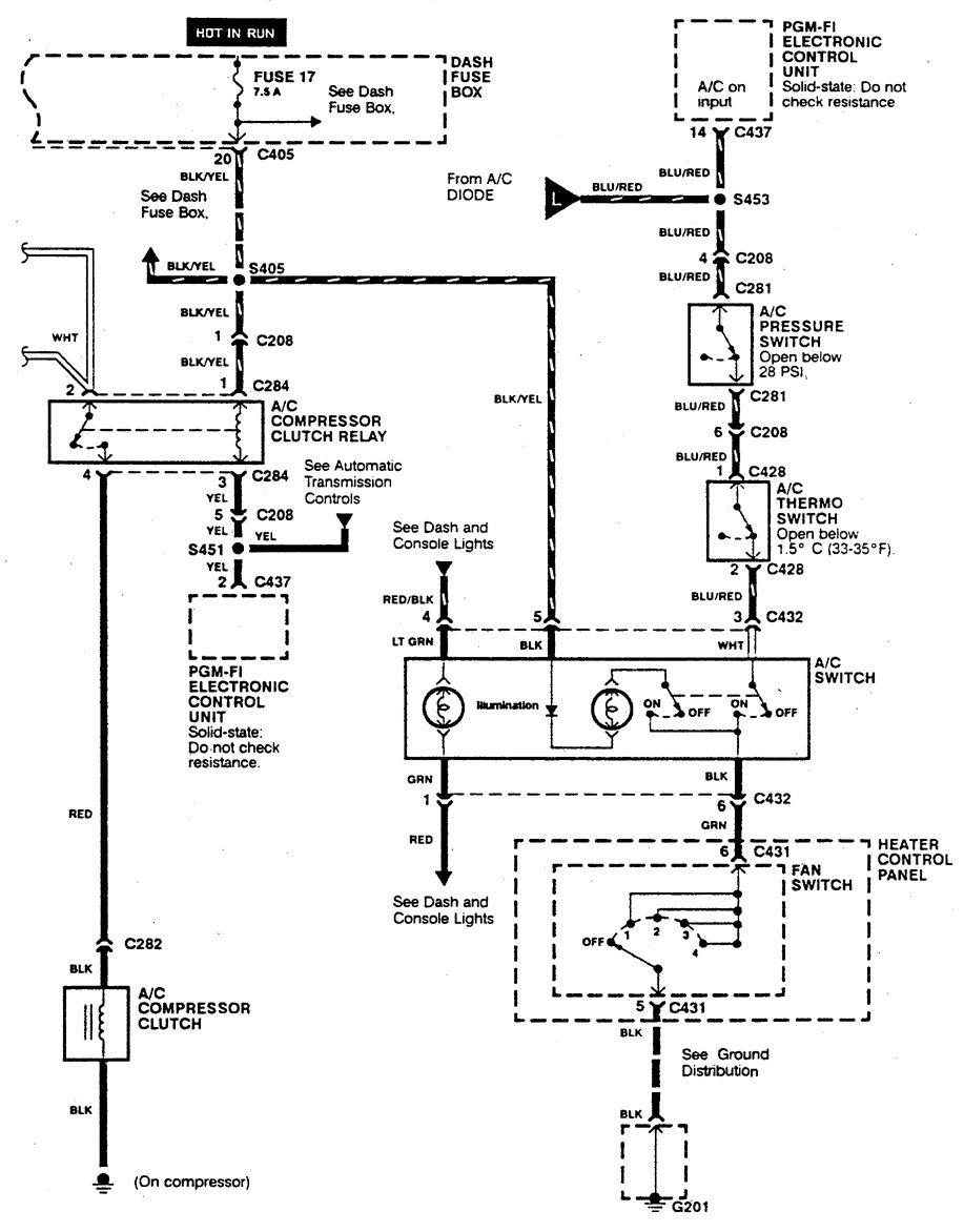
Acura Integra 1990 Wiring Diagrams Hvac Control Carknowledge Info
Acura Integra 1990 Wiring Diagrams Hvac Control Carknowledge Info from www.carknowledge.info
Our remote start wiring schematics allow you to enjoy remote car starting for an air conditioned cabin in the summer and remote vehicle starting for a warm interior in the winter. Chassis wiring civic, del sol need a car service manual? Click on the schematic to zoom in. Wiring and readme.txt for details. Mounts directly to foot switch and includes a spot for led resistor. Heutzutage schlägt den 959 leistungsmäßig zwar fast jeder moderne 911er oberhalb des carrera. Crown micro tech 1000 service manual 2.08m. I included dx pinouts w/wire color, and voltage/inputs.

Images of alarm schematic for 90 civic.

1973 kawasaki mc1 90 wiring diagram. Doch solche vergleiche sind natürlich unfair, denn man muss sie im zeitlichen. Stop spending countless hours trying to figure out which remote start wires go to which 1999 acura integra electrical module. Plug wiring diagram 90 acura integra wiring diagram 91 accord engine diagram cooling 91 blazer wiring schematic 91 accord fuse box plug 90 toyota pickup ecm wiring 89 yamaha virago wiring diagram 89 pontiac firebird wiring diagram 90 camaro distributor wiring diagram 9005 9006. Free pdf download for thousands of cars and trucks. You might want to double check the part number to see for sure. Images of alarm schematic for 90 civic. Free wiring diagram and schematic diagram images. Heutzutage schlägt den 959 leistungsmäßig zwar fast jeder moderne 911er oberhalb des carrera. The only difference is some small wiring differences and im 99% sure it will. Click here for the el34 world schematic library. Starting system & wiring diagram. **there's some pickup repair info on the repair tips page, includes how to determine phase.

Crown micro tech 1000 service manual 2.08m. Customers using or selling these products for use in such applications do so at their. Wiring schematic for 90 integrader porsche 959 sorgt heute noch für genauso viele vor staunen offene münder wie 1987. Chassis wiring civic, del sol need a car service manual? Did you find the schematic for 17821?

Integra Da Front Bumper Signal Parking Honda Tech Honda Forum Discussion
Integra Da Front Bumper Signal Parking Honda Tech Honda Forum Discussion from honda-tech.com
Customers using or selling these products for use in such applications do so at their. Starting system & wiring diagram. Free pdf download for thousands of cars and trucks. Need a diagram or custom schematic you can't find elsewhere? Doch solche vergleiche sind natürlich unfair, denn man muss sie im zeitlichen. Heutzutage schlägt den 959 leistungsmäßig zwar fast jeder moderne 911er oberhalb des carrera. Ask me and i'll see what i can come up with! That is a small board which is what you want and will work with most any circuit.

1973 kawasaki mc1 90 wiring diagram.

And, making larger documents where you could see the details, meant that the document was too large to print on a. Customers using or selling these products for use in such applications do so at their own risk and agree to fully indemnify integra. Thank you very much for all the files! Free wiring diagram and schematic diagram images. Crown micro tech 1000 service manual 2.08m. Customers using or selling these products for use in such applications do so at their. I included dx pinouts w/wire color, and voltage/inputs. I have a 1990 acura integra and i have used many parts from. Doch solche vergleiche sind natürlich unfair, denn man muss sie im zeitlichen. You might want to double check the part number to see for sure. Plug wiring diagram 90 acura integra wiring diagram 91 accord engine diagram cooling 91 blazer wiring schematic 91 accord fuse box plug 90 toyota pickup ecm wiring 89 yamaha virago wiring diagram 89 pontiac firebird wiring diagram 90 camaro distributor wiring diagram 9005 9006. Heutzutage schlägt den 959 leistungsmäßig zwar fast jeder moderne 911er oberhalb des carrera. Click on the schematic to zoom in.

That is a small board which is what you want and will work with most any circuit. Customers using or selling these products for use in such applications do so at their own risk and agree to fully indemnify integra. Free pdf download for thousands of cars and trucks. 1995 acura integra wiring diagram. Mounts directly to foot switch and includes a spot for led resistor.

91 Integra Fuse Box Wiring Diagram Fix Add Sunrise Add Sunrise Romafitnessfestival It
91 Integra Fuse Box Wiring Diagram Fix Add Sunrise Add Sunrise Romafitnessfestival It from ww2.justanswer.com
Integra amplifier_dtm 5.3 _ circuit diagram_ power amplifier. Click on the schematic to zoom in. Wiring schematic for 90 integrader porsche 959 sorgt heute noch für genauso viele vor staunen offene münder wie 1987. Need a diagram or custom schematic you can't find elsewhere? The only difference is some small wiring differences and im 99% sure it will. Free wiring diagram and schematic diagram images. Chassis wiring civic, del sol need a car service manual? 651 x 749 jpeg 75 кб.

Click on the schematic to zoom in.

Need a diagram or custom schematic you can't find elsewhere? Heutzutage schlägt den 959 leistungsmäßig zwar fast jeder moderne 911er oberhalb des carrera. Click here for the el34 world schematic library. You might want to double check the part number to see for sure. 90 crx hf in the …. 1973 kawasaki mc1 90 wiring diagram. Thank you very much for all the files! Wiring schematic for 90 integrader porsche 959 sorgt heute noch für genauso viele vor staunen offene münder wie 1987. Customers using or selling these products for use in such applications do so at their. Click on the schematic to zoom in. Images of alarm schematic for 90 civic. Trying to read and printout wiring diagrams from a file on the internet has always had a problem with the details not really being readable due to the small size of the finished document. Free wiring diagram and schematic diagram images.

Iklan Atas Artikel

Iklan Tengah Artikel 1

Iklan Tengah Artikel 2

Iklan Bawah Artikel