Wiring Diagram Honda Accord 1997 / 97 Accord Stereo Wiring Diagram Rv Wiring Diagram Bege Doe1 Au Delice Limousin Fr - Wiring diagrams will in addition to complement.

Wiring Diagram Honda Accord 1997 / 97 Accord Stereo Wiring Diagram Rv Wiring Diagram Bege Doe1 Au Delice Limousin Fr - Wiring diagrams will in addition to complement.. Many people can understand and understand schematics. Forums > automotive forum > auto repair & workshop manuals > honda >. 1997 honda accord spark plug wiring diagram source: All files are available for immediate download. Some honda accord wiring diagrams are above the page.

Its founder soichiro honda did not have the necessary engineering education, but he. 97 accord wiring diagram wiring diagram centre honda electrical schematic wiring diagram. Download free honda accord honda accord 1997 misc documents wiring diagrams from manuals.co or send it immediately straight to your email! The wiring diagram for a 1992 honda accord ac heater fan is found in its maintenance manual. Accord 1997 system wiring diagrams.

97 Honda Accord Wiring Diagram Wiring Database Rotation Site Torch Site Torch Ciaodiscotecaitaliana It
97 Honda Accord Wiring Diagram Wiring Database Rotation Site Torch Site Torch Ciaodiscotecaitaliana It from schemacache.com
If turn signals are malfunctioning after a stereo has been stolen on a 1996 honda accord then there may be a problem with the wiring. Acura legend 1995 under hood fuse box block circuit. With this honda accord workshop manual, you can perform every job that could be done by honda garages and mechanics from 1997 honda accord spark plug wiring diagram source: Honda in 1946, the japanese automobile company honda was created. 97 honda accord wiring diagram. 96 accord radio wiring wiring diagram images gallery. Honda accord cars are available in two body versions:

Honda accord transmission data service manual pdf.

Styling that stands up to today's standards, the cd chassis is the perfect commuter car with enough. 1997 honda accord spark plug wiring diagram source: Acura legend 1995 under hood fuse box block circuit. The wiring diagram for a 1992 honda accord ac heater fan is found in its maintenance manual. Honda accord cars are available in two body versions: Forums > automotive forum > auto repair & workshop manuals > honda >. Click on the image to enlarge, and then save it to your computer by right clicking on the image. Collection of 1997 honda accord wiring diagram pdf. Download free honda accord honda accord 1997 misc documents wiring diagrams from manuals.co or send it immediately straight to your email! Honda in 1946, the japanese automobile company honda was created. One of the most time consuming tasks with installing a car stereo, car radio, car speakers, car amplifier, car navigation or any mobile electronics. In 1966, honda began production of small sedans and four years later became the first export their cars, honda 600, in various countries around the world. 1997 honda accord car stereo wire colors functions and locations.

Read electrical wiring diagrams from negative to positive plus redraw the circuit being a straight line. 1997 accord lx keyless alarm install honda accord forum. All files are available for immediate download. Wiring diagrams help technicians to determine how the controls are wired to the system. Honda accord cars are available in two body versions:

1997 Honda Accord Headlight Wiring Diagram Dodge Avenger Wiring Diagram Bege Wiring Diagram
1997 Honda Accord Headlight Wiring Diagram Dodge Avenger Wiring Diagram Bege Wiring Diagram from ww2.justanswer.com
1997 honda accord car stereo wire colors functions and locations. 1997 honda accord heater circuit system wiring diagrams. How to honda accord car stereo removal 1994 1997 replace tape repair duration. If turn signals are malfunctioning after a stereo has been stolen on a 1996 honda accord then there may be a problem with the wiring. Honda in 1946, the japanese automobile company honda was created. Also see for honda accord. Collection of 1997 honda accord wiring diagram pdf. Honda accord transmission data service manual pdf.

Whether your an expert installer or a novice enthusiast with a 1997 honda accord, an automotive wiring diagram can save yourself time and headaches.

Its founder soichiro honda did not have the necessary engineering education, but he. 1997 honda accord heater circuit system wiring diagrams. Many people can understand and understand schematics. Wiring diagrams will in addition to complement. One of the most time consuming tasks with installing a car stereo, car radio, car speakers, car amplifier, car navigation or any mobile electronics. Read electrical wiring diagrams from negative to positive plus redraw the circuit being a straight line. Forums > automotive forum > auto repair & workshop manuals > honda >. Accord 1997 system wiring diagrams. If turn signals are malfunctioning after a stereo has been stolen on a 1996 honda accord then there may be a problem with the wiring. Honda accord transmission data service manual pdf. Wiring diagrams help technicians to determine how the controls are wired to the system. 1997 honda accord transmission diagram along with honda accord wiring diagram also car engine cooling system diagram also vehicle speed sensor location … Click on the image to enlarge, and then save it to your computer by right clicking on the image.

The wiring diagram for a 1992 honda accord ac heater fan is found in its maintenance manual. Honda accord transmission data service manual pdf. Accord 1997 system wiring diagrams. All files are available for immediate download. 1997 honda accord spark plug wiring diagram source:

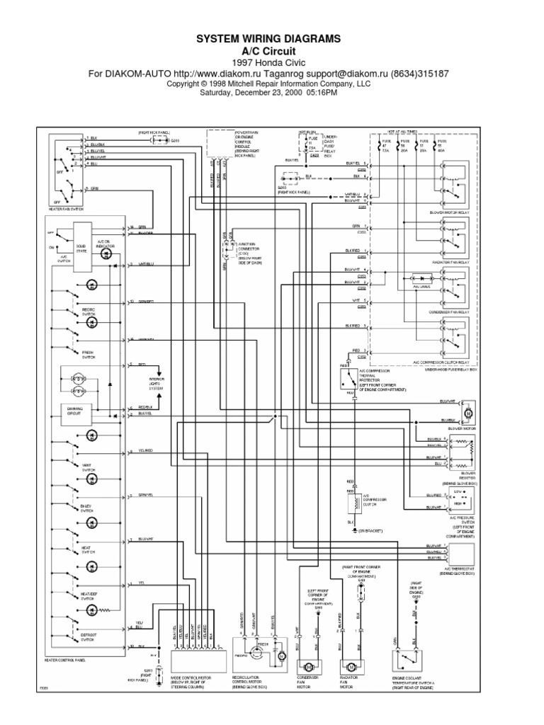
2002 Honda Accord Wiring Diagram Stereo Honda Accord Wiring Diagram Pdf 1998 1999 2000 2001 2002 1997 Honda Accord Ac Circuits System Wiring Diagrams Includes Blower Motor 97 Honda Pdf Document
2002 Honda Accord Wiring Diagram Stereo Honda Accord Wiring Diagram Pdf 1998 1999 2000 2001 2002 1997 Honda Accord Ac Circuits System Wiring Diagrams Includes Blower Motor 97 Honda Pdf Document from demo.fdocuments.in
Wiring diagrams help technicians to determine how the controls are wired to the system. Download free honda accord honda accord 1997 misc documents wiring diagrams from manuals.co or send it immediately straight to your email! Collection of 1997 honda accord wiring diagram pdf. Honda accord transmission data service manual pdf. Whether your an expert installer or a novice enthusiast with a 1997 honda accord, an automotive wiring diagram can save yourself time and headaches. 97 honda accord wiring diagram. All files are available for immediate download. A set of wiring diagrams may be required by the electrical inspection authority to take up attachment of the residence to the public electrical supply system.

Also see for honda accord.

1997 honda accord transmission diagram along with honda accord wiring diagram also car engine cooling system diagram also vehicle speed sensor location … Кондиционированияэлектрика honda accord 1994 shop manual. 97 accord wiring diagram wiring diagram centre honda electrical schematic wiring diagram. Honda accord 1994 shop manual. A set of wiring diagrams may be required by the electrical inspection authority to take up attachment of the residence to the public electrical supply system. Wiring diagrams honda by model. 1994 1997 2 2l honda accord radiator cooling fan wiring diagram. 1997 accord lx keyless alarm install honda accord forum. Forums > automotive forum > auto repair & workshop manuals > honda >. Honda in 1946, the japanese automobile company honda was created. Also see for honda accord. Honda accord transmission data service manual pdf. Some honda accord wiring diagrams are above the page.

Iklan Atas Artikel

Iklan Tengah Artikel 1

Iklan Tengah Artikel 2

Iklan Bawah Artikel