Dump Trailer Wire Diagram : Wiring Diagrams C B Quality Trailer Works Inc / Use this as a reference when working on your boat trailer wiring.

Dump Trailer Wire Diagram : Wiring Diagrams C B Quality Trailer Works Inc / Use this as a reference when working on your boat trailer wiring.. Trailer connector pigtails seem to take a beating and trailer wiring in general tends to degrade do to its exposure to the elements. Please right click on the image and save the illustration. If you don't have a battery load tester to test the battery at least depress the test button on the battery charger to check the battery charge state. Dump trailer hydraulic pump wiring diagram. I have a 2007 14ft pj dump trailer that is power up power down that i would like to hook up a wireless remote to.

Does one of your turn signals not work and you're not sure which wire to inspect? Trailer connector pigtails seem to take a beating and trailer wiring in general tends to degrade do to its exposure to the elements. To begin with, understanding the diagram of wires for trailer will be helpful during troubleshooting. Manufacturer and reseller of cargo, utility, dump and specialty sports trailers, parts and cargo management accessories. Trailer wiring guide, including best practices for automotive type wiring systems and how to install a new trailer connector pigtail.

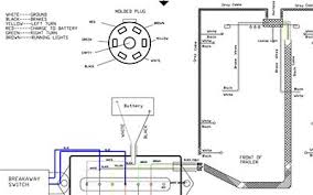
Breakaway Switch Diagram For Installation On A Dump Trailer With Trailer Mounted 12 Volt Battery Etrailer Com
Breakaway Switch Diagram For Installation On A Dump Trailer With Trailer Mounted 12 Volt Battery Etrailer Com from images.etrailer.com
Identify the wires on your vehicle and trailer by function only. A colour coded trailer plug wiring guide to help you require your plugs and sockets. Observe this quick online video from pearson to discover an extra instance of creating a sample 6 pin trailer connector wiring diagram for dump diagram to exhibit practical effects for mixed occasions, and working out their probabilities. Electrical wiring representations are composed of two points: Standard electrical connector wiring diagram. Architectural wiring layouts show the approximate places as well as affiliations of receptacles, lights, and permanent electrical solutions in a structure. Dump trailer hydraulic pump wiring diagram download. Not sure which wires attach to what on your trailer connectors?

If you don't have a battery load tester to test the battery at least depress the test button on the battery charger to check the battery charge state.

This is the haulmark trailer wiring diagram and dump : This connector is most common among the smaller utility trailers and can. Let's face it, you've lent your trailer to a. Use only proper matching trailer connector between the trailer and tow vehicle. Before you start testing the wiring and controls make sure your dump trailers battery is charged to at least 12 volts dc. Dump trailer hydraulic pump wiring diagram. Boat trailer color wiring diagram. Architectural wiring diagrams feint the approximate locations and interconnections of receptacles, lighting, and enduring electrical facilities in a building. Not sure which wires attach to what on your trailer connectors? Dump trailer hydraulic pump wiring diagram download. Identify contacts by looking into the open end of plug or socket. Use wiring diagrams to assist in building or manufacturing the circuit or computer. Customer service | view cart.

Does one of your turn signals not work and you're not sure which wire to inspect? This is the haulmark trailer wiring diagram and dump : Dump trailer hydraulic pump wiring diagram. Interconnecting wire routes may be shown approximately, where particular. To begin with, understanding the diagram of wires for trailer will be helpful during troubleshooting.

Installation Instructions 12 Vdc Double Acting Kti Hydraulics Inc
Installation Instructions 12 Vdc Double Acting Kti Hydraulics Inc from ktihydraulicsinc.com
You can save this pics file to your personal laptop. November 22, 2018november 22, 2018. Trailer connector pigtails seem to take a beating and trailer wiring in general tends to degrade do to its exposure to the elements. Trailer wiring guide, including best practices for automotive type wiring systems and how to install a new trailer connector pigtail. Boat trailer color wiring diagram. Trailer wiring diagrams showing you the typical wiring for most single axle trailer and tandem axle trailers. Color coding is not standard among all manufacturers. Use this as a reference when working on your boat trailer wiring.

Manufacturer and reseller of cargo, utility, dump and specialty sports trailers, parts and cargo management accessories.

Posted on april 11, 2019april 11, 2019. Identify contacts by looking into the open end of plug or socket. Dump trailer hydraulic pump wiring diagram sample. Search find custom fit products. From 4 pin flat to 7 way round connectors. Trailer wiring guide, including best practices for automotive type wiring systems and how to install a new trailer connector pigtail. Diagram of the nephron and its functions. Architectural wiring diagrams feint the approximate locations and interconnections of receptacles, lighting, and enduring electrical facilities in a building. Belly dump trailer wiring diagram. Use wiring diagrams to assist in building or manufacturing the circuit or computer. A wiring diagram is a type of schematic which makes use of abstract photographic signs to show all the affiliations of elements in a system. I am looking for a diagram to wire that in. I have a 2007 14ft pj dump trailer that is power up power down that i would like to hook up a wireless remote to.

Not sure which wires attach to what on your trailer connectors? Electrical wiring representations are composed of two points: Please right click on the image and save the illustration. Architectural wiring layouts show the approximate places as well as affiliations of receptacles, lights, and permanent electrical solutions in a structure. If there are any questions concerning the lights and/or wiring, please brakes and breakaway switch are properly working related searches for dump trailer plug wiring diagram dump trailer wiring diagramdump.

Hijqeardhvzjum
Hijqeardhvzjum from img.17qq.com
When i get home i will take a picture of my pump. Icons that represent the components in the circuit, as well as lines that represent the links in between. When issues happen using the trailer, motorist might wish to know where the problem place can be located. Check out or trailer wiring diagrams for a quick reference on trailer wiring. Standard load trail trailer electrical connector wiring diagrams note: Color coding is not standard among all manufacturers. Identify contacts by looking into the open end of plug or socket. Boat trailer color wiring diagram.

Round 1 1/4 diameter metal connector allows 1 or 2 additional wiring and lighting functions such as back up lights, auxiliary 12v power or electric brakes.

Manufacturer and reseller of cargo, utility, dump and specialty sports trailers, parts and cargo management accessories. This is the haulmark trailer wiring diagram and dump : Please right click on the image and save the illustration. Trailer connector pigtails seem to take a beating and trailer wiring in general tends to degrade do to its exposure to the elements. A colour coded trailer plug wiring guide to help you require your plugs and sockets. A wiring diagram is an easy visual representation of the physical connections and physical layout of the electrical system or circuit. Dump trailer wiring of a imagine i get via the haulmark wiring diagram collection. Use this as a reference when working on your boat trailer wiring. Not sure which wires attach to what on your trailer connectors? Includes 5 and 7 wire plug and trailer wiring schematics. Dump trailer hydraulic pump wiring diagram. Trailer information, documents and manuals, car mate trailers throughout dump trailer wiring diagram, image size 600 x 309 px, and to view image details please click the image. They are also useful for making repairs.

Iklan Atas Artikel

Iklan Tengah Artikel 1

Iklan Tengah Artikel 2

Iklan Bawah Artikel