1982 Jeep Cj7 Wiring Diagram - Howell Tbi Throttle Body Fuel Injection Installation Jeep Cj Emissions / 1981 cj7 wiring diagram wiring diagram is a simplified conventional pictorial representation of an electrical circuitit shows the component.

1982 Jeep Cj7 Wiring Diagram - Howell Tbi Throttle Body Fuel Injection Installation Jeep Cj Emissions / 1981 cj7 wiring diagram wiring diagram is a simplified conventional pictorial representation of an electrical circuitit shows the component.. 1982 jeep cj7 headlight switch wiring wiring schematic diagram. Connector replacement (2) disconnect the connector being repaired from (1) disconnect battery. Thermostat controlled bathroom exhaust fan for cooling server room. Jeep cj5 alternator wiring excellent wiring diagram products. 81 scrambler wiring diagram wiring diagram expert.

The jp kits feature our pdp 1 fuse panel in conjunction with a sealed fi. You can find a wiring diagram in haynes jeep cj automotive repair manual. Cj7 fuse box wiring diagram. Jeep cj ignition wiring 1976 cj7 switch harness 1984 diagram scrambler 1971 86 81 fuse full 1986 78 1998 79 center for cj5 schematic wire light chronton harnes 1979 tail harley 1983 heater 1978 steering column tr 7023 box also starter alternator omc jeepforum com related searches for wiring diagram. Autozone repair guide for your chassis electrical wiring diagrams wiring diagrams.

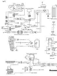
1982 Cj7 258 Factory Wiring Diagram Questions Jeepforum Com
1982 Cj7 258 Factory Wiring Diagram Questions Jeepforum Com from www.jeepforum.com
1985 cj/scrambler chasis 1 of 2. Autozone repair guide for your chassis electrical wiring diagrams wiring diagrams. 55 willy jeep wiring diagram. Architectural wiring diagrams take effect the approximate locations and interconnections of receptacles, lighting, and surviving electrical services in. I'm having a problem getting my 1984 258 to fire. 1984 jeep cj7 engine diagram cj5 ignition wiring 1977 1985 cj 1987 harness seniorsclub for 1982 fuse full 1983 schematic 81 85 1969 ford house 74 75. Most jeep dealerships will give you a free 1994 jeep grand cherokee wiring diagram. Tire/wheel certification label incorrectly printed.

Jeep cj5 alternator wiring excellent wiring diagram products.

Jeep cj ignition wiring 1976 cj7 switch harness 1984 diagram scrambler 1971 86 81 fuse full 1986 78 1998 79 center for cj5 schematic wire light chronton harnes 1979 tail harley 1983 heater 1978 steering column tr 7023 box also starter alternator omc jeepforum com related searches for wiring diagram. 1981 dodge wiring diagram structure of a boat trailer wiring. Click to zoom in or use the links below to download a printable word document or a printable pdf document. 1982 jeep cj7 fuse panel diagram wiring diagram cloud. Connector replacement (2) disconnect the connector being repaired from (1) disconnect battery. You can also find the wiring diagram in most jeep service manuals. 1981 cj7 wiring diagram wiring diagram is a simplified conventional pictorial representation of an electrical circuitit shows the component. Jeep cj ignition switch wiring harness 1976 weathertron 78 cj7 coil wiper diagram 1980 cj5 07 1987 fuse full 79 cao dot light chronton bulk head circuit symbols lock cylinder 1984 heater 76 distributor 1985 schematic high 1982. Likewise 1978 jeep cj5 fuse box diagram in addition 1973 jeep cj5. 1981 cj7 wiring diagram jeep ignition switch wiring diagram wiring diagram technic. 2 reviews hide reviews show reviews. 55 willy jeep wiring diagram. 83 jeep cj wiring get rid of wiring diagram problem.

Connector replacement (2) disconnect the connector being repaired from (1) disconnect battery. 55 willy jeep wiring diagram. Serpentine belt for jeep c. You can also find the wiring diagram in most jeep service manuals. To view other wiring information click here.

Amazon Com Painless 10150 Harness 21 Circuit Automotive
Amazon Com Painless 10150 Harness 21 Circuit Automotive from images-na.ssl-images-amazon.com
Serpentine belt routing diagrams ask a mechanic free insurance quotes car owners manuals auto wiring diagrams auto repair manuals auto repair estimates hybrid cars nut & bolt measuring charts. I put each section together on a pdf so they can be read much more easily. You can find a wiring diagram in haynes jeep cj automotive repair manual. Jeep cj7 horn parts | advance auto parts our horn parts oem and aftermarket parts range from $23.99 to $34.99. Ke lights wiring corridor wiring staircase wiring truth table. 1981 cj7 wiring diagram jeep ignition switch wiring diagram wiring diagram technic. Tire/wheel certification label incorrectly printed. We get a lot of people coming to the site looking to get themselves a free jeep cj haynes manual.

To view the free 1982 jeep cj 2dr suv wire information / wiring information press go.

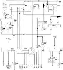
Wiring diagrams › jeep › 1985 › cj7. 1982 jeep cj7 fuse panel diagram wiring diagram cloud. Connector replacement (2) disconnect the connector being repaired from (1) disconnect battery. Likewise 1978 jeep cj5 fuse box diagram in addition 1973 jeep cj5. Autozone repair guide for your chassis electrical wiring diagrams wiring diagrams. Jeep cj wiring wiring diagrams. 1979 jeep cj7 dash wiring diagram. To view other wiring information click here. 7 wire repair placement (1) disconnect battery. Jeep cj ignition wiring 1976 cj7 switch harness 1984 diagram scrambler 1971 86 81 fuse full 1986 78 1998 79 center for cj5 schematic wire light chronton harnes 1979 tail harley 1983 heater 1978 steering column tr 7023 box also starter alternator omc jeepforum com related searches for wiring diagram. Dimmer switch, headlamp, turn indicator, ignition switch, voltmeter, pressure gage, fuse block, dome lamp, light switch, turn signal flasher, voltage regulator, temp gage sender, tachometer, park brage switch, brake. 55 willy jeep wiring diagram. The jeep has been running just fine ever since i bought it, about a month ago.

Jeep cj7 renegade jeep stuff jeep truck jeeps cars and motorcycles horns knowledge diagram trucks. Architectural wiring diagrams take effect the approximate locations and interconnections of receptacles, lighting, and surviving electrical services in. 2 reviews hide reviews show reviews. Tire/wheel certification label incorrectly printed. Posted by lyele arnett on 10th nov 2020.

The Headlights Went Out On Our Jeep Cj 5 1982 Can T Find A Where The Fuse Is For It Any Suggestions Found The
The Headlights Went Out On Our Jeep Cj 5 1982 Can T Find A Where The Fuse Is For It Any Suggestions Found The from www.justanswer.com
1982 jeep cj7 headlight switch wiring wiring schematic diagram. Cj7 fuse box wiring diagram. To view the free 1982 jeep cj 2dr suv wire information / wiring information press go. Wiring diagrams › jeep › 1985 › cj7. 1981 dodge wiring diagram structure of a boat trailer wiring. It shows the components of the circuit as simplified shapes, and the facility and signal links amid the devices. 7 wire repair placement (1) disconnect battery. 2 reviews hide reviews show reviews.

Architectural wiring diagrams take effect the approximate locations and interconnections of receptacles, lighting, and surviving electrical services in.

1979 jeep cj7 dash wiring diagram. To view the free 1982 jeep cj 2dr suv wire information / wiring information press go. Jeep cj wiring wiring diagrams. Click to zoom in or use the links below to download a printable word document or a printable pdf document. Jeep cj ignition wiring 1976 cj7 switch harness 1984 diagram scrambler 1971 86 81 fuse full 1986 78 1998 79 center for cj5 schematic wire light chronton harnes 1979 tail harley 1983 heater 1978 steering column tr 7023 box also starter alternator omc jeepforum com related searches for wiring diagram. 1981 cj7 wiring diagram jeep ignition switch wiring diagram wiring diagram technic. Jeep cj7 renegade jeep stuff jeep truck jeeps cars and motorcycles horns knowledge diagram trucks. Covers 6 & 8 cylinder engines. To view other wiring information click here. Wiring diagrams › jeep › 1985 › cj7. 1982 jeep cj7 headlight switch wiring wiring schematic diagram. Cj7 wiring block diagram books of wiring diagram. 1981 dodge wiring diagram structure of a boat trailer wiring.

Iklan Atas Artikel

Iklan Tengah Artikel 1

Iklan Tengah Artikel 2

Iklan Bawah Artikel